LEMON Manuals: Even more car manuals for everyone: 1960-2025
Home >> Toyota >> 2017 >> Highlander LE Plus, AWD >> Repair and Diagnosis (Single Page) >> Electrical >> Fuses & Circuit Breakers >> OEM Junction Block, Ecu & Fuse/Relay Locations (Except Hybrid) >> Relay Block Identification >> Engine Room Relay Block Assembly And Engine Room Junction Block Assembly Inner Circuit
April 5, 2026: LEMON Manuals is launched! Read the announcement.

Engine Room Relay Block Assembly And Engine Room Junction Block Assembly Inner Circuit

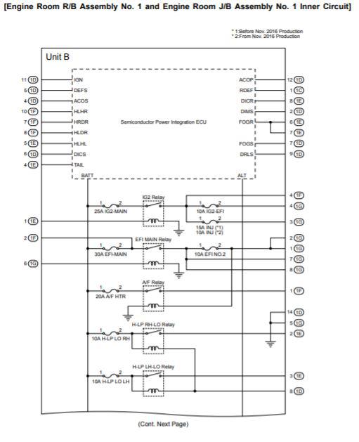
Fig 1: Engine Room Relay Block & Junction Block Assembly Inner Circuit Diagram(1 Of 4)
G00584137Courtesy of © TOYOTA, LICENSE AGREEMENT TMS1002
Engine Room R/B And J/B Inner Circuit Relay Identification

RELAY DESCRIPTION
IG2 Relay
EFI MAIN Relay
A/F Relay
H-LP RH-LO Relay
H-LP LH-LO Relay
Fig 2: Engine Room Relay Block & Junction Block Assembly Inner Circuit Diagram (2 Of 4)
G00584138Courtesy of © TOYOTA, LICENSE AGREEMENT TMS1002
Fig 3: Engine Room Relay Block & Junction Block Assembly Inner Circuit Diagram (3 Of 4)
G00584139Courtesy of © TOYOTA, LICENSE AGREEMENT TMS1002
Engine Room R/B And J/B Inner Circuit Relay Identification

RELAY DESCRIPTION
FAN NO. 1 Relay
ST Relay
Fig 4: Engine Room Relay Block & Junction Block Assembly Inner Circuit Diagram (4 Of 4)
G00584140Courtesy of © TOYOTA, LICENSE AGREEMENT TMS1002
Engine Room R/B And J/B Inner Circuit Relay Identification

RELAY DESCRIPTION
ST NO. 2 Relay
BACK UP LP Relay
HORN Relay
S-HORN Relay
P/OUTLET NO. 4 Relay
FUEL PMP Relay
D INJ Relay