LEMON Manuals: Even more car manuals for everyone: 1960-2025
Home >> Toyota >> 2017 >> Highlander LE Plus, AWD >> Repair and Diagnosis (Single Page) >> Electrical >> Motors, Switches, Relays >> OEM System Circuits (Except Hybrid) >> Audio System (6 Speaker W/Navigation System), Navigation System (6 Speaker), Rear View Monitor System (W/Navigation System) >> System Diagrams
April 5, 2026: LEMON Manuals is launched! Read the announcement.

System Diagrams

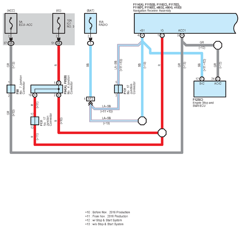
Fig 1: Audio System (6 Speaker W/Navigation System), Navigation System (6 Speaker), Rear View Monitor System (W/Navigation System) (1 Of 18)
G12240587Courtesy of © TOYOTA, LICENSE AGREEMENT TMS1002
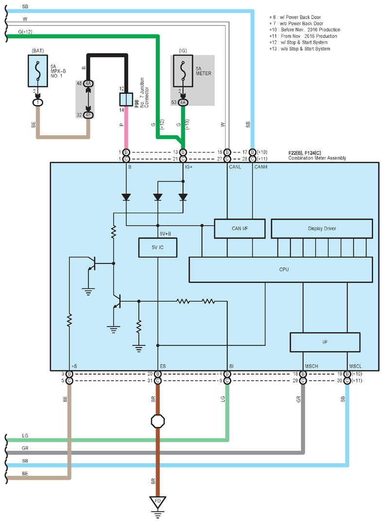
Fig 2: Audio System (6 Speaker W/Navigation System), Navigation System (6 Speaker), Rear View Monitor System (W/Navigation System) (2 Of 18)
G12240588Courtesy of © TOYOTA, LICENSE AGREEMENT TMS1002
Fig 3: Audio System (6 Speaker W/Navigation System), Navigation System (6 Speaker), Rear View Monitor System (W/Navigation System) (3 Of 18)
G12240589Courtesy of © TOYOTA, LICENSE AGREEMENT TMS1002
Fig 4: Audio System (6 Speaker W/Navigation System), Navigation System (6 Speaker), Rear View Monitor System (W/Navigation System) (4 Of 18)
G12240590Courtesy of © TOYOTA, LICENSE AGREEMENT TMS1002
Fig 5: Audio System (6 Speaker W/Navigation System), Navigation System (6 Speaker), Rear View Monitor System (W/Navigation System) (5 Of 18)
G12240591Courtesy of © TOYOTA, LICENSE AGREEMENT TMS1002
Fig 6: Audio System (6 Speaker W/Navigation System), Navigation System (6 Speaker), Rear View Monitor System (W/Navigation System) (6 Of 18)
G12240592Courtesy of © TOYOTA, LICENSE AGREEMENT TMS1002
Fig 7: Audio System (6 Speaker W/Navigation System), Navigation System (6 Speaker), Rear View Monitor System (W/Navigation System) (7 Of 18)
G12240593Courtesy of © TOYOTA, LICENSE AGREEMENT TMS1002
Fig 8: Audio System (6 Speaker W/Navigation System), Navigation System (6 Speaker), Rear View Monitor System (W/Navigation System) (8 Of 18)
G12240594Courtesy of © TOYOTA, LICENSE AGREEMENT TMS1002
Fig 9: Audio System (6 Speaker W/Navigation System), Navigation System (6 Speaker), Rear View Monitor System (W/Navigation System) (9 Of 18)
G12240595Courtesy of © TOYOTA, LICENSE AGREEMENT TMS1002
Fig 10: Audio System (6 Speaker W/Navigation System), Navigation System (6 Speaker), Rear View Monitor System (W/Navigation System) (10 Of 18)
G12240596Courtesy of © TOYOTA, LICENSE AGREEMENT TMS1002
Fig 11: Audio System (6 Speaker W/Navigation System), Navigation System (6 Speaker), Rear View Monitor System (W/Navigation System) (11 Of 18)
G12240597Courtesy of © TOYOTA, LICENSE AGREEMENT TMS1002
Fig 12: Audio System (6 Speaker W/Navigation System), Navigation System (6 Speaker), Rear View Monitor System (W/Navigation System) (12 Of 18)
G12240598Courtesy of © TOYOTA, LICENSE AGREEMENT TMS1002
Fig 13: Audio System (6 Speaker W/Navigation System), Navigation System (6 Speaker), Rear View Monitor System (W/Navigation System) (13 Of 18)
G12240599Courtesy of © TOYOTA, LICENSE AGREEMENT TMS1002
Fig 14: Audio System (6 Speaker W/Navigation System), Navigation System (6 Speaker), Rear View Monitor System (W/Navigation System) (14 Of 18)
G12240600Courtesy of © TOYOTA, LICENSE AGREEMENT TMS1002
Fig 15: Audio System (6 Speaker W/Navigation System), Navigation System (6 Speaker), Rear View Monitor System (W/Navigation System) (15 Of 18)
G12240601Courtesy of © TOYOTA, LICENSE AGREEMENT TMS1002
Fig 16: Audio System (6 Speaker W/Navigation System), Navigation System (6 Speaker), Rear View Monitor System (W/Navigation System) (16 Of 18)
G12240602Courtesy of © TOYOTA, LICENSE AGREEMENT TMS1002
Fig 17: Audio System (6 Speaker W/Navigation System), Navigation System (6 Speaker), Rear View Monitor System (W/Navigation System) (17 Of 18)
G12240603Courtesy of © TOYOTA, LICENSE AGREEMENT TMS1002
Fig 18: Audio System (6 Speaker W/Navigation System), Navigation System (6 Speaker), Rear View Monitor System (W/Navigation System) (18 Of 18)
G12240604Courtesy of © TOYOTA, LICENSE AGREEMENT TMS1002