LEMON Manuals: Even more car manuals for everyone: 1960-2025
Home >> Toyota >> 2017 >> Highlander LE Plus, AWD >> Repair and Diagnosis >> Body & Frame >> Windows >> Power Window Control System (Jam Protection Front Windows) - Diagnostics - Introduction - (Except Hybrid) >> POWER WINDOW CONTROL SYSTEM (for Models with Jam Protection Function on Front Door Windows) >> System Diagram [12/2013 - ] >> System Diagram [12/2013 - ]
April 5, 2026: LEMON Manuals is launched! Read the announcement.

System Diagram [12/2013 - ]

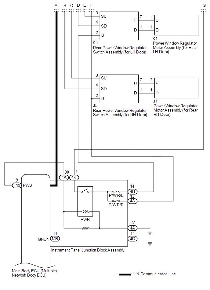
Fig 1: Power Window Control System (For Models With Jam Protection Function On Front Door Windows) Wiring Diagram (1 Of 3)
GTY452978Courtesy of © TOYOTA, LICENSE AGREEMENT TMS1002
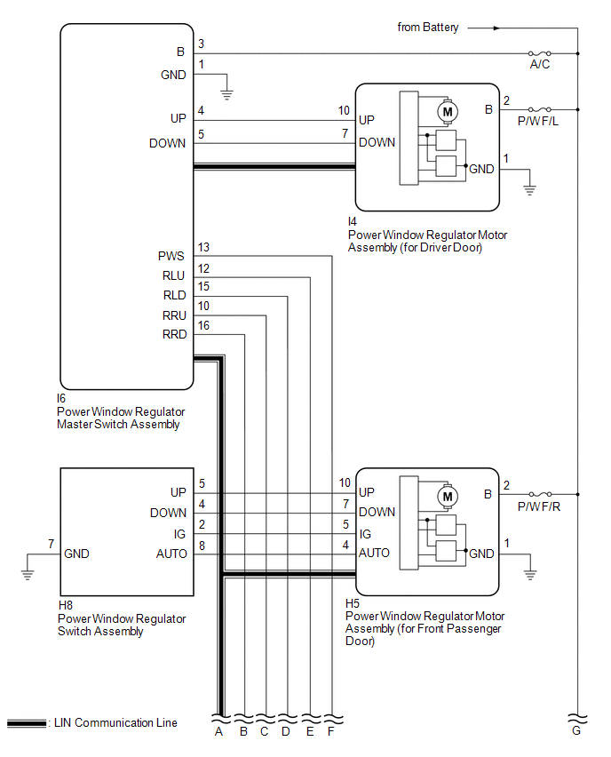
Fig 2: Power Window Control System (For Models With Jam Protection Function On Front Door Windows) Wiring Diagram (2 Of 3)
GTY432083Courtesy of © TOYOTA, LICENSE AGREEMENT TMS1002
Fig 3: Power Window Control System (For Models With Jam Protection Function On Front Door Windows) Wiring Diagram (3 Of 3)
GTY425989Courtesy of © TOYOTA, LICENSE AGREEMENT TMS1002
COMMUNICATION TABLE

Transmitting ECU Receiving ECU Signal Communication Method
Power Window Regulator Master Switch Assembly Power Window Regulator Motor Assembly (for Driver Door) Power window auto up and down signal LIN
Power Window Regulator Motor Assembly (for Front Passenger Door) Power window remote up and down signal LIN
Main Body ECU (Multiplex Network Body ECU)
  • Power Window Regulator Motor Assembly (for Driver Door)
  • Power Window Regulator Motor Assembly (for Front Passenger Door)
Power window operation permission signal LIN
Certification ECU (Smart Key ECU Assembly)* Main Body ECU (Multiplex Network Body ECU) Wireless power window operation signal CAN