LEMON Manuals: Even more car manuals for everyone: 1960-2025
Home >> Toyota >> 2017 >> Land Cruiser >> Repair and Diagnosis (Single Page) >> Electrical >> Fuses & Circuit Breakers >> OEM Junction Block, Ecu & Fuse/Relay Locations >> Relay Block Identification >> Engine Room Relay Block Assembly And Engine Room Junction Block Assembly Inner Circuit
April 5, 2026: LEMON Manuals is launched! Read the announcement.

Engine Room Relay Block Assembly And Engine Room Junction Block Assembly Inner Circuit

Fig 1: Engine Room Relay Block & Junction Block Assembly Inner Circuit Diagram (1 of 5)
G00584987Courtesy of © TOYOTA, LICENSE AGREEMENT TMS1002
Fig 2: Engine Room Relay Block & Junction Block Assembly Inner Circuit Diagram (2 of 5)
G00584988Courtesy of © TOYOTA, LICENSE AGREEMENT TMS1002
Engine Room R/B And J/B Inner Circuit Relay Identification

RELAY DESCRIPTION
IG1 Relay
Fig 3: Engine Room Relay Block & Junction Block Assembly Inner Circuit Diagram (3 of 5)
G00584989Courtesy of © TOYOTA, LICENSE AGREEMENT TMS1002
Fig 4: Engine Room Relay Block & Junction Block Assembly Inner Circuit Diagram (4 of 5)
G00584990Courtesy of © TOYOTA, LICENSE AGREEMENT TMS1002
Engine Room R/B And J/B Inner Circuit Relay Identification

RELAY DESCRIPTION
AIR PUMP HTR Relay
IG2 MAIN Relay
FUEL PMP Relay
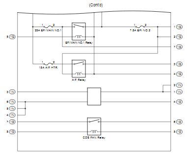
Fig 5: Engine Room Relay Block & Junction Block Assembly Inner Circuit Diagram (5 of 5)
G00584991Courtesy of © TOYOTA, LICENSE AGREEMENT TMS1002
Engine Room R/B And J/B Inner Circuit Relay Identification

RELAY DESCRIPTION
EFI MAIN NO. 1 Relay
A/F Relay
CDS FAN Relay