LEMON Manuals: Even more car manuals for everyone: 1960-2025
Home >> Toyota >> 2017 >> Land Cruiser >> Repair and Diagnosis >> Electrical >> Body Electrical >> OEM System Circuits >> Blind Spot Monitor System >> System Diagrams
April 5, 2026: LEMON Manuals is launched! Read the announcement.

System Diagrams

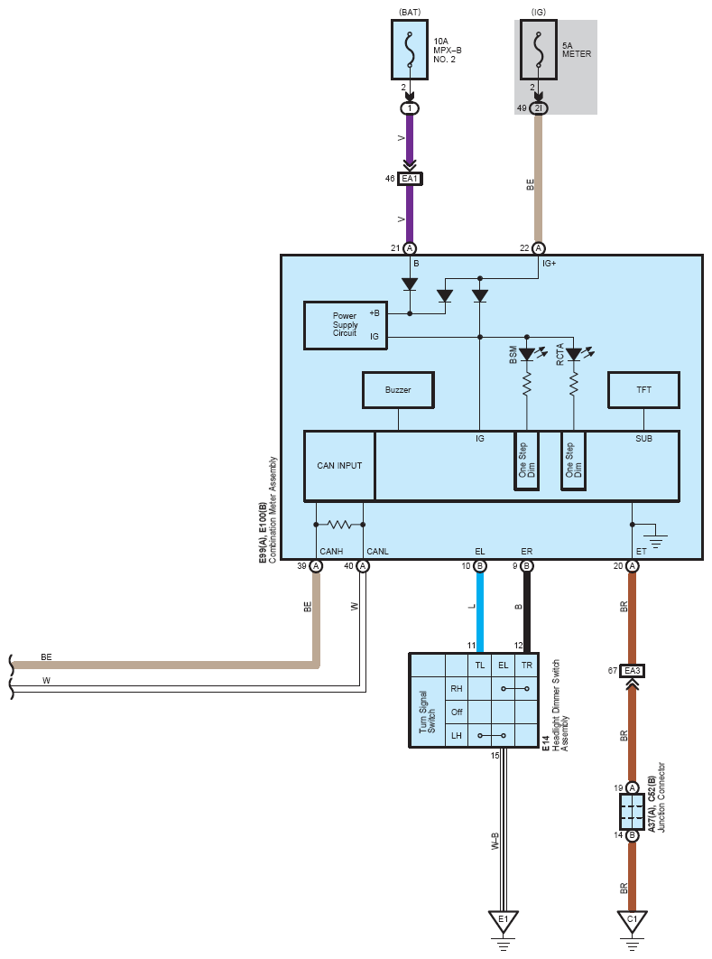
Fig 1: Blind Spot Monitor System (1 Of 6)
G12206366Courtesy of © TOYOTA, LICENSE AGREEMENT TMS1002
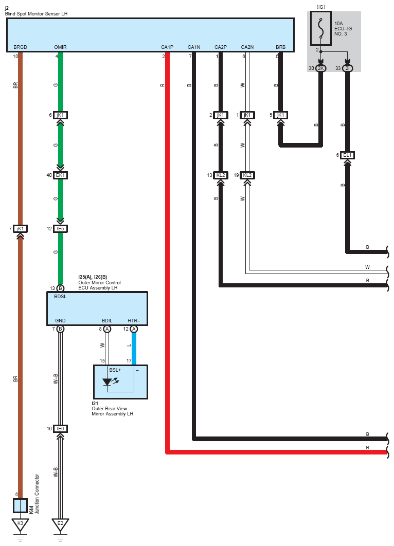
Fig 2: Blind Spot Monitor System (2 Of 6)
G12206367Courtesy of © TOYOTA, LICENSE AGREEMENT TMS1002
Fig 3: Blind Spot Monitor System (3 Of 6)
G12206368Courtesy of © TOYOTA, LICENSE AGREEMENT TMS1002
Fig 4: Blind Spot Monitor System (4 Of 6)
G12206369Courtesy of © TOYOTA, LICENSE AGREEMENT TMS1002
Fig 5: Blind Spot Monitor System (5 Of 6)
G12206370Courtesy of © TOYOTA, LICENSE AGREEMENT TMS1002
Fig 6: Blind Spot Monitor System (6 Of 6)
G12206371Courtesy of © TOYOTA, LICENSE AGREEMENT TMS1002