LEMON Manuals: Even more car manuals for everyone: 1960-2025
Home >> Toyota >> 2017 >> Land Cruiser >> Repair and Diagnosis >> Electrical >> Body Electrical >> OEM System Circuits >> VGRS System >> System Diagrams
April 5, 2026: LEMON Manuals is launched! Read the announcement.

System Diagrams

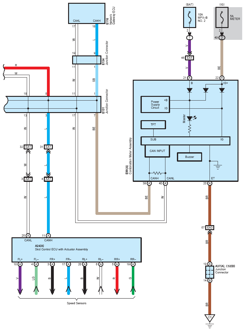
Fig 1: VGRS System (1 Of 3)
G12206825Courtesy of © TOYOTA, LICENSE AGREEMENT TMS1002
Fig 2: VGRS System (2 Of 3)
G12206826Courtesy of © TOYOTA, LICENSE AGREEMENT TMS1002
Fig 3: VGRS System (3 Of 3)
G12206827Courtesy of © TOYOTA, LICENSE AGREEMENT TMS1002