LEMON Manuals: Even more car manuals for everyone: 1960-2025
Home >> Toyota >> 2017 >> Mirai >> Repair and Diagnosis (Single Page) >> Accessories & Equipment >> Anti-Theft Systems >> Smart Key System (For Entry Function) - Diagnostic Codes & Symptom Tests >> SMART KEY SYSTEM (for Entry Function) >> Room Oscillator does not Recognize Key [06/2015 - ] >> Wiring Diagram
April 5, 2026: LEMON Manuals is launched! Read the announcement.

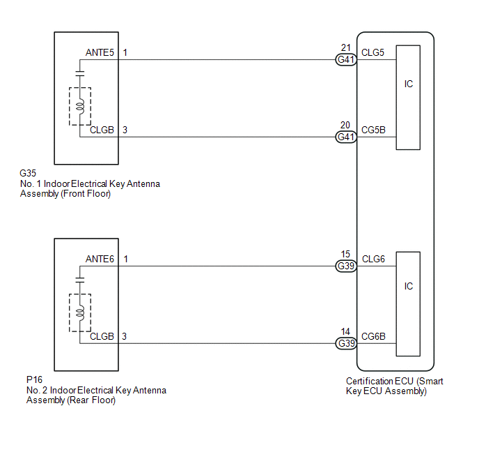
Room Oscillator does not Recognize Key [06/2015 - ]: Wiring Diagram

GTY585120Courtesy of © TOYOTA, LICENSE AGREEMENT TMS1002