LEMON Manuals: Even more car manuals for everyone: 1960-2025
Home >> Toyota >> 2017 >> Mirai >> Repair and Diagnosis (Single Page) >> Hybrid/Electric Powertrain >> Testing and Diagnosis >> Fuel Cell (FC) Control System - Diagnostic Codes (1 Of 3) >> FC Control System >> DTC P1D2C-450: FC Stack Coolant Temperature Sensor (FC Stack Outlet) Circuit Low; DTC P1D2D-450: FC Stack Coolant Temperature Sensor (FC Stack Outlet) Circuit High [06/2015 - ] >> Procedure
April 5, 2026: LEMON Manuals is launched! Read the announcement.

DTC P1D2C-450: FC Stack Coolant Temperature Sensor (FC Stack Outlet) Circuit Low; DTC P1D2D-450: FC Stack Coolant Temperature Sensor (FC Stack Outlet) Circuit High [06/2015 - ]: Procedure

  1. READ VALUE USING TECHSTREAM (FC STACK COOLANT TEMPERATURE SENSOR (FC STACK OUTLET) VOLTAGE) 
    1. Connect the Techstream to the DLC3.
    2. Turn the power switch on (IG).
    3. Turn the Techstream on.
    4. Enter the following menus: Powertrain / FC / Data List / FC Stack Coolant Temperature Sensor (FC Stack Outlet) Voltage

      Powertrain > FC > Data List 

      Tester Display
      FC Stack Coolant Temperature Sensor (FC Stack Outlet) Voltage
    5. Read the value displayed on the Techstream.

      Result

      FC Stack Coolant Temperature Sensor (FC Stack Outlet) Voltage Proceed to
      Higher than 4.9 V A
      Less than 0.1 V B

      HINT: 

      • If there is an open circuit, the Techstream indicates higher than 4.9 V.
      • If there is a short circuit, the Techstream indicates less than 0.1 V.

    Result: 

    See step  4

    Result: 

    See step  2

  2. READ VALUE USING TECHSTREAM (CHECK FOR OPEN IN WIRE HARNESS) 
    WARNING:

    Be sure to wear insulated gloves.

    1. Check that the service plug grip is not installed to FC stack assembly and EV battery.
      NOTE:

      After removing the service plug grip, do not turn the power switch on (READY), unless instructed by the repair information because this may cause a malfunction.

    2. Disconnect the FC stack assembly (water temperature sensor (for FC stack outlet side)) connector.
      GTY600518Courtesy of © TOYOTA, LICENSE AGREEMENT TMS1002
    3. Connect terminals 12 (WTO) and 13 (GWTO) of the FC stack assembly (water temperature sensor (for FC stack outlet side)) connector on the wire harness side.
      GTY555933Courtesy of © TOYOTA, LICENSE AGREEMENT TMS1002
      *1 FC Stack Assembly (Water Temperature Sensor (for FC Stack Outlet Side))
      *2 FC Control ECU
      *a Front view of wire harness connector
      (to FC Stack Assembly (Water Temperature Sensor (for FC Stack Outlet Side)))
    4. Connect the cable to the negative (-) auxiliary battery terminal.
    5. Connect the Techstream to the DLC3.
    6. Turn the power switch on (IG).
    7. Turn the Techstream on.
    8. Enter the following menus: Powertrain / FC / Data List / FC Stack Coolant Temperature Sensor (FC Stack Outlet) Voltage

      Powertrain > FC > Data List 

      Tester Display
      FC Stack Coolant Temperature Sensor (FC Stack Outlet) Voltage
    9. Read the value displayed on the Techstream.

      Standard value

      Less than 0.1 V (Short circuit)

    10. Turn the power switch off.
    11. Disconnect the cable from the negative (-) auxiliary battery terminal.
    12. Reconnect the FC stack assembly (water temperature sensor (for FC stack outlet side)) connector.

      Result

      Proceed to
      OK
      NG

    Result: 

    OK 

    REPLACE FC STACK ASSEMBLY. Refer to  REMOVAL [06/2015 - 11/2018]  , or refer to  REMOVAL [11/2018 - ] 

    Result: 

    NG 

    See step  3

  3. CHECK HARNESS AND CONNECTOR (FC CONTROL ECU - FC STACK ASSEMBLY (WATER TEMPERATURE SENSOR (FOR FC STACK OUTLET SIDE)) 
    WARNING:

    Be sure to wear insulated gloves.

    1. Check that the service plug grip is not installed to FC stack assembly and EV battery.
      NOTE:

      After removing the service plug grip, do not turn the power switch on (READY), unless instructed by the repair information because this may cause a malfunction.

    2. Disconnect the FC control ECU connector.
    3. Disconnect the FC stack assembly (water temperature sensor (for FC stack outlet side)) connector.
    4. Measure the resistance according to the value(s) in the table below.

      Standard Resistance

      Tester Connection Condition Specified Condition
      A47-95 (WTO) - Aq3-12 (WTO) Always Below 1 Ω
      A47-118 (GWTO) - Aq3-13 (GWTO) Always Below 1 Ω
      GTY604309Courtesy of © TOYOTA, LICENSE AGREEMENT TMS1002
      *a Front view of wire harness connector
      (to FC Stack Assembly (Water Temperature Sensor (for FC Stack Outlet Side)))
      *b Front view of wire harness connector
      (to FC Control ECU)
    5. Reconnect the FC stack assembly (water temperature sensor (for FC stack outlet side)) connector.
    6. Reconnect the FC control ECU connector.

      Result

      Proceed to
      OK
      NG

    Result: 

    OK 

    REPLACE FC CONTROL ECU. Refer to  REMOVAL [06/2015 - 11/2018]  , or refer to  REMOVAL [11/2018 - ] 

    Result: 

    NG 

    REPAIR OR REPLACE HARNESS OR CONNECTOR 

  4. READ VALUE USING TECHSTREAM (CHECK FOR SHORT IN WIRE HARNESS) 
    WARNING:

    Be sure to wear insulated gloves.

    1. Check that the service plug grip is not installed to FC stack assembly and EV battery.
      NOTE:

      After removing the service plug grip, do not turn the power switch on (READY), unless instructed by the repair information because this may cause a malfunction.

    2. Disconnect the Aq3 FC stack assembly (water temperature sensor (for FC stack outlet side)) connector.
      GTY600518Courtesy of © TOYOTA, LICENSE AGREEMENT TMS1002
    3. Connect the cable to the negative (-) auxiliary battery terminal.
    4. Connect the Techstream to the DLC3.
    5. Turn the power switch on (IG).
    6. Turn the Techstream on.
    7. Enter the following menus: Powertrain / FC / Data List / FC Stack Coolant Temperature Sensor (FC Stack Outlet) Voltage
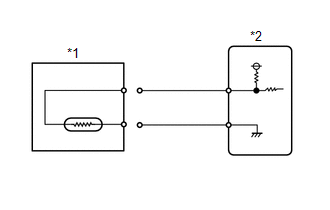
      GTY553482Courtesy of © TOYOTA, LICENSE AGREEMENT TMS1002
      *1 FC Stack Assembly (Water Temperature Sensor (for FC Stack Outlet Side))
      *2 FC Control ECU

      Powertrain > FC > Data List 

      Tester Display
      FC Stack Coolant Temperature Sensor (FC Stack Outlet) Voltage
    8. Read the value displayed on the Techstream.

      Standard value

      Higher than 4.9 V (Open circuit)

    9. Turn the power switch off.
    10. Disconnect the cable from the negative (-) auxiliary battery terminal.
    11. Reconnect the Aq3 FC stack assembly (water temperature sensor (for FC stack outlet side)) connector.

      Result

      Proceed to
      OK
      *
      NG
      1. *: FC stack assembly (water temperature sensor (for FC stack outlet side)) malfunction

    Result: 

    OK 

    REPLACE FC STACK ASSEMBLY. Refer to  REMOVAL [06/2015 - 11/2018]  , or refer to  REMOVAL [11/2018 - ] 

    Result: 

    NG 

    See step  5

  5. CHECK HARNESS AND CONNECTOR (FC CONTROL ECU - FC STACK ASSEMBLY (WATER TEMPERATURE SENSOR (FOR FC STACK OUTLET SIDE))) 
    WARNING:

    Be sure to wear insulated gloves.

    1. Check that the service plug grip is not installed to FC stack assembly and EV battery.
      NOTE:

      After removing the service plug grip, do not turn the power switch on (READY), unless instructed by the repair information because this may cause a malfunction.

    2. Disconnect the FC control ECU connector.
    3. Disconnect the FC stack assembly (water temperature sensor (for FC stack outlet side)) connector.
    4. Measure the resistance according to the value(s) in the table below.

      Standard Resistance

      Tester Connection Condition Specified Condition
      A47-95 (WTO) or Aq3-12 (WTO) - Body ground and other terminals Always 10 kΩ or higher
      GTY569071Courtesy of © TOYOTA, LICENSE AGREEMENT TMS1002
      *a Front view of wire harness connector
      (to FC Stack Assembly (Water Temperature Sensor (for FC Stack Outlet Side)))
      *b Front view of wire harness connector
      (to FC Control ECU)
    5. Reconnect the FC stack assembly (water temperature sensor (for FC stack outlet side)) connector.
    6. Reconnect the FC control ECU connector.

      Result

      Proceed to
      OK
      NG

    Result: 

    OK 

    REPLACE FC CONTROL ECU. Refer to  REMOVAL [06/2015 - 11/2018]  , or refer to  REMOVAL [11/2018 - ] 

    Result: 

    NG 

    REPAIR OR REPLACE HARNESS OR CONNECTOR