LEMON Manuals: Even more car manuals for everyone: 1960-2025
Home >> Toyota >> 2017 >> Mirai >> Repair and Diagnosis (Single Page) >> Hybrid/Electric Powertrain >> Testing and Diagnosis >> Fuel Cell (FC) Control System - Diagnostic Codes (1 Of 3) >> FC Control System >> DTC P1D8C-450: FC Stack Air Temperature Sensor (FC Stack Inlet) Circuit Low; DTC P1D8D-450: FC Stack Air Temperature Sensor (FC Stack Inlet) Circuit High [06/2015 - ] >> Procedure
April 5, 2026: LEMON Manuals is launched! Read the announcement.

DTC P1D8C-450: FC Stack Air Temperature Sensor (FC Stack Inlet) Circuit Low; DTC P1D8D-450: FC Stack Air Temperature Sensor (FC Stack Inlet) Circuit High [06/2015 - ]: Procedure

  1. READ VALUE USING TECHSTREAM (FC STACK AIR TEMPERATURE SENSOR (FC STACK INLET) VOLTAGE) 
    1. Connect the Techstream to the DLC3.
    2. Turn the power switch on (IG).
    3. Turn the Techstream on.
    4. Enter the following menus: Powertrain / FC / Data List / FC Stack Air Temperature Sensor (FC Stack Inlet) Voltage

      Powertrain > FC > Data List 

      Tester Display
      FC Stack Air Temperature Sensor (FC Stack Inlet) Voltage
    5. Read the value displayed on the Techstream.

      Result

      FC Stack Air Temperature Sensor (FC Stack Inlet) Voltage Proceed to
      Higher than 4.95 V A
      Less than 0.10 V B

      HINT: 

      • If there is an open circuit, the Techstream indicates higher than 4.95 V.
      • If there is a short circuit, the Techstream indicates less than 0.10 V.

    Result: 

    See step  4

    Result: 

    See step  2

  2. READ VALUE USING TECHSTREAM (CHECK FOR OPEN IN WIRE HARNESS) 
    1. Disconnect the FC gas temperature sensor connector.
      GTY542743Courtesy of © TOYOTA, LICENSE AGREEMENT TMS1002
    2. Connect terminals 1 (ATIC) and 2 (GATI) of the FC gas temperature sensor connector on the wire harness side.
      GTY591838Courtesy of © TOYOTA, LICENSE AGREEMENT TMS1002
      *1 FC Gas Temperature Sensor
      *2 FC Control ECU
      *a Front view of wire harness connector
      (to FC Gas Temperature Sensor)
    3. Connect the Techstream to the DLC3.
    4. Turn the power switch on (IG).
    5. Turn the Techstream on.
    6. Enter the following menus: Powertrain / FC / Data List / FC Stack Air Temperature Sensor (FC Stack Inlet) Voltage

      Powertrain > FC > Data List 

      Tester Display
      FC Stack Air Temperature Sensor (FC Stack Inlet) Voltage
    7. Read the value displayed on the Techstream.

      Standard value

      Less than 0.10 V (Short circuit)

    8. Turn the power switch off.
    9. Reconnect the FC gas temperature sensor connector.

      Result

      Proceed to
      OK
      NG

    Result: 

    OK 

    REPLACE FC GAS TEMPERATURE SENSOR. Refer to  REMOVAL [06/2015 - ] 

    Result: 

    NG 

    See step  3

  3. CHECK HARNESS AND CONNECTOR (FC CONTROL ECU - FC GAS TEMPERATURE SENSOR) 
    1. Disconnect the FC control ECU connector.
    2. Disconnect the FC gas temperature sensor connector.
    3. Measure the resistance according to the value(s) in the table below.

      Standard Resistance

      Tester Connection Condition Specified Condition
      A48-56 (ATIC) - D3-1 (ATIC) Always Below 1 Ω
      A48-57 (GATI) - D3-2 (GATI) Always Below 1 Ω
      GTY607727Courtesy of © TOYOTA, LICENSE AGREEMENT TMS1002
      *a Front view of wire harness connector
      (to FC Gas Temperature Sensor)
      *b Front view of wire harness connector
      (to FC Control ECU)
    4. Reconnect the FC gas temperature sensor connector.
    5. Reconnect the FC control ECU connector.

      Result

      Proceed to
      OK
      NG

    Result: 

    OK 

    REPLACE FC CONTROL ECU. Refer to  REMOVAL [06/2015 - 11/2018]  , or refer to  REMOVAL [11/2018 - ] 

    Result: 

    NG 

    REPAIR OR REPLACE HARNESS OR CONNECTOR 

  4. READ VALUE USING TECHSTREAM (CHECK FOR SHORT IN WIRE HARNESS) 
    1. Disconnect the D3 FC gas temperature sensor connector.
      GTY542743Courtesy of © TOYOTA, LICENSE AGREEMENT TMS1002
    2. Connect the Techstream to the DLC3.
    3. Turn the power switch on (IG).
    4. Turn the Techstream on.
    5. Enter the following menus: Powertrain / FC / Data List / FC Stack Air Temperature Sensor (FC Stack Inlet) Voltage
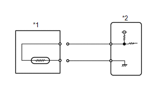
      GTY553473Courtesy of © TOYOTA, LICENSE AGREEMENT TMS1002
      *1 FC Gas Temperature Sensor
      *2 FC Control ECU

      Powertrain > FC > Data List 

      Tester Display
      FC Stack Air Temperature Sensor (FC Stack Inlet) Voltage
    6. Read the value displayed on the Techstream.

      Standard value

      Higher than 4.95 V (Open circuit)

    7. Turn the power switch off.
    8. Reconnect the D3 FC gas temperature sensor connector.

      Result

      Proceed to
      OK
      NG

    Result: 

    OK 

    REPLACE FC GAS TEMPERATURE SENSOR. Refer to  REMOVAL [06/2015 - ] 

    Result: 

    NG 

    See step  5

  5. CHECK HARNESS AND CONNECTOR (FC CONTROL ECU - FC GAS TEMPERATURE SENSOR) 
    1. Disconnect the FC control ECU connector.
    2. Disconnect the FC gas temperature sensor connector.
    3. Measure the resistance according to the value(s) in the table below.

      Standard Resistance

      Tester Connection Condition Specified Condition
      A48-56 (ATIC) or D3-1 (ATIC) - Body ground and other terminals Always 10 kΩ or higher
      GTY584191Courtesy of © TOYOTA, LICENSE AGREEMENT TMS1002
      *a Front view of wire harness connector
      (to FC Gas Temperature Sensor)
      *b Front view of wire harness connector
      (to FC Control ECU)
    4. Reconnect the FC control ECU connector.
    5. Reconnect the FC gas temperature sensor connector.

      Result

      Proceed to
      OK
      NG

    Result: 

    OK 

    REPLACE FC CONTROL ECU. Refer to  REMOVAL [06/2015 - 11/2018]  , or refer to  REMOVAL [11/2018 - ] 

    Result: 

    NG 

    REPAIR OR REPLACE HARNESS OR CONNECTOR