LEMON Manuals: Even more car manuals for everyone: 1960-2025
Home >> Toyota >> 2017 >> Mirai >> Repair and Diagnosis (Single Page) >> Transmission >> Transmission Control Systems >> Electronic A/T Shift Lever System - Diagnostics - Introduction >> Electronic Shift Lever System >> System Diagram [06/2015 - ] >> System Diagram [06/2015 - ]
April 5, 2026: LEMON Manuals is launched! Read the announcement.

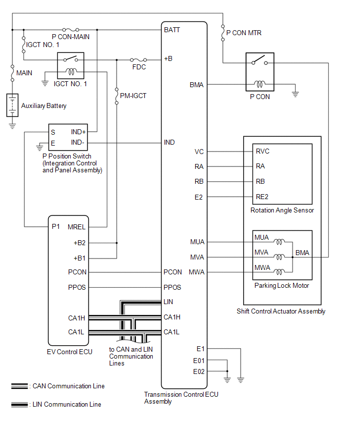
System Diagram [06/2015 - ]

GTY579437Courtesy of © TOYOTA, LICENSE AGREEMENT TMS1002