LEMON Manuals: Even more car manuals for everyone: 1960-2025
Home >> Toyota >> 2017 >> Mirai >> Repair and Diagnosis >> Electrical >> Body Electrical >> OEM System Circuits >> Power Source >> System Diagrams
April 5, 2026: LEMON Manuals is launched! Read the announcement.

System Diagrams

Fig 1: Power Source (1 Of 8)
G12204377Courtesy of © TOYOTA, LICENSE AGREEMENT TMS1002
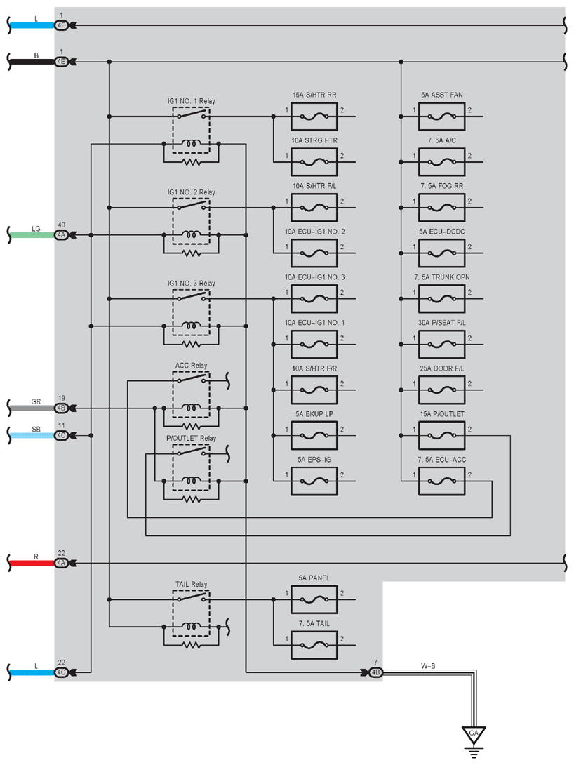
Fig 2: Power Source (2 Of 8)
G12204378Courtesy of © TOYOTA, LICENSE AGREEMENT TMS1002
Fig 3: Power Source (3 Of 8)
G12204379Courtesy of © TOYOTA, LICENSE AGREEMENT TMS1002
Fig 4: Power Source (4 Of 8)
G12204380Courtesy of © TOYOTA, LICENSE AGREEMENT TMS1002
Fig 5: Power Source (5 Of 8)
G12204381Courtesy of © TOYOTA, LICENSE AGREEMENT TMS1002
Fig 6: Power Source (6 Of 8)
G12204382Courtesy of © TOYOTA, LICENSE AGREEMENT TMS1002
Fig 7: Power Source (7 Of 8)
G12204383Courtesy of © TOYOTA, LICENSE AGREEMENT TMS1002
Fig 8: Power Source (8 Of 8)
G12204384Courtesy of © TOYOTA, LICENSE AGREEMENT TMS1002