LEMON Manuals: Even more car manuals for everyone: 1960-2025
Home >> Toyota >> 2017 >> Prius C One >> Repair and Diagnosis (Single Page) >> Restraints >> Restraints Control Systems >> Pre-Collision System - Diagnostics - Introduction >> Pre-Collision System >> System Diagram [11/2015 - 06/2017] >> System Diagram [11/2015 - 06/2017]
April 5, 2026: LEMON Manuals is launched! Read the announcement.

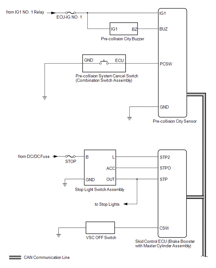
System Diagram [11/2015 - 06/2017]

GTY724116Courtesy of © TOYOTA, LICENSE AGREEMENT TMS1002
GTY687322Courtesy of © TOYOTA, LICENSE AGREEMENT TMS1002
COMMUNICATION TABLE

Sender Receiver Signal Line
Pre-collision City Sensor Skid Control ECU (Brake Booster with Master Cylinder Assembly)
  • Brake assist standby signal
  • Pre-collision brake operation signal
CAN
Pre-collision City Sensor Combination Meter Assembly
  • Pre-collision system malfunction signal
  • Warning signal
  • Pre-collision system off and sensitivity display signal
CAN
Skid Control ECU (Brake Booster with Master Cylinder Assembly) Pre-collision City Sensor
  • Vehicle speed signal
  • Stop light switch signal
  • Brake control hydraulic pressure signal
  • Brake malfunction signal
CAN
Yaw Rate and G Sensor (Airbag Sensor Assembly) Pre-collision City Sensor Vehicle yaw rate and acceleration sensor signal CAN
Main Body ECU (Multiplex Network Body ECU) Pre-collision City Sensor Vehicle specification information (destination, steering wheel position) CAN
Steering Sensor (Spiral Cable with Sensor Sub-assembly) Pre-collision City Sensor Steering angle sensor signal CAN
Hybrid Vehicle Control ECU Pre-collision City Sensor
  • Shift position signal (D, R)
  • Accelerator pedal opening angle signal
  • Hybrid control system malfunction signal
CAN
Pre-collision City Sensor Hybrid Vehicle Control ECU Hybrid system output control signal CAN