LEMON Manuals: Even more car manuals for everyone: 1960-2025
Home >> Toyota >> 2017 >> Prius C Two >> Repair and Diagnosis (Single Page) >> Body & Frame >> Door Locks >> Smart Key System (Entry) - Diagnostic Codes & Symptom Tests >> SMART KEY SYSTEM(for Entry Function) >> Symptom Tests >> Driver Side Door Entry Lock Function does not Operate [11/2015 - ] >> Wiring Diagram
April 5, 2026: LEMON Manuals is launched! Read the announcement.

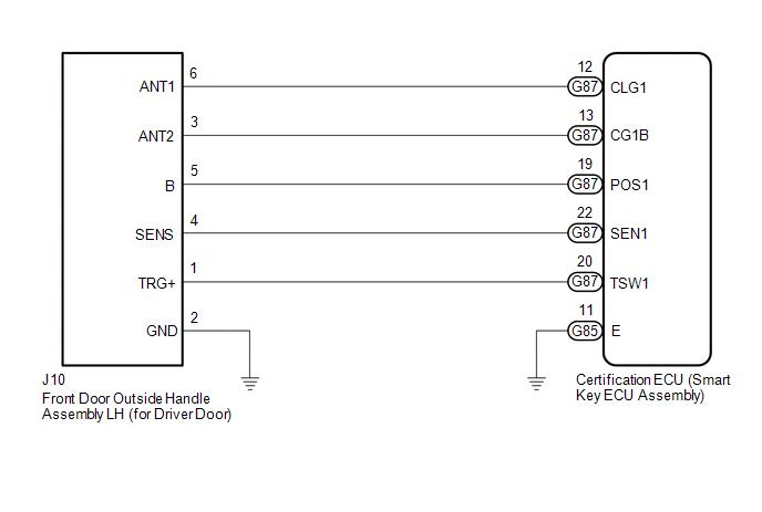
Driver Side Door Entry Lock Function does not Operate [11/2015 - ]: Wiring Diagram

GTY715815Courtesy of © TOYOTA, LICENSE AGREEMENT TMS1002