LEMON Manuals: Even more car manuals for everyone: 1960-2025
Home >> Toyota >> 2017 >> Prius C Two >> Repair and Diagnosis (Single Page) >> Body & Frame >> Windows >> Power Window Control System - Diagnostic Codes & Symptom Tests >> Power Window Control System >> Symptom Tests >> Remote Up / Down Function does not Operate [11/2015 - ] >> Wiring Diagram
April 5, 2026: LEMON Manuals is launched! Read the announcement.

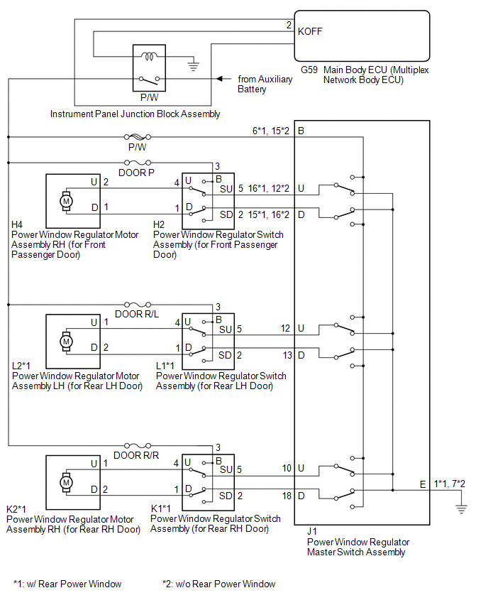
Remote Up / Down Function does not Operate [11/2015 - ]: Wiring Diagram

GTY708352Courtesy of © TOYOTA, LICENSE AGREEMENT TMS1002