LEMON Manuals: Even more car manuals for everyone: 1960-2025
Home >> Toyota >> 2017 >> Prius C Two >> Repair and Diagnosis (Single Page) >> Restraints >> Air Bag, SRS >> Occupant Classification System - Diagnostic Codes & Symptom Tests >> Occupant Classification System >> DTC B1782: Rear Occupant Classification Sensor LH Circuit Malfunction [06/2017 - ] >> Procedure
April 5, 2026: LEMON Manuals is launched! Read the announcement.

DTC B1782: Rear Occupant Classification Sensor LH Circuit Malfunction [06/2017 - ]: Procedure

  1. CHECK CONNECTORS 
    1. Turn the ignition switch off.
    2. Disconnect the cable from the negative (-) auxiliary battery terminal.
    3. Check that the connectors are properly connected to the occupant detection ECU and separate type front seat cushion spring assembly (rear occupant classification sensor LH).

      OK

      The connectors are properly connected.

      HINT: 

      If the connectors are not properly connected, reconnect the connectors and proceed to the next inspection.

    4. Disconnect the connectors from the occupant detection ECU and separate type front seat cushion spring assembly (rear occupant classification sensor LH).
    5. Check that the terminals of the connectors are not deformed or damaged.

      OK

      The terminals are not deformed or damaged.

    Result: 

    NG 

    REPLACE FRONT SEAT WIRE RH 

    Result: 

    OK 

    See step  2

  2. CHECK FRONT SEAT WIRE RH (SHORT TO B+) 
    1. Connect the cable to the negative (-) auxiliary battery terminal.
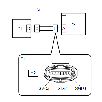
      GTY764643Courtesy of © TOYOTA, LICENSE AGREEMENT TMS1002
      *1 Separate Type Front Seat Cushion Spring Assembly (Rear Occupant Classification Sensor LH)
      *2 Occupant Detection ECU
      *3 Front Seat Wire RH
      *a Front view of wire harness connector
      (to Occupant Detection ECU)
    2. Turn the ignition switch to ON (IG).
    3. Measure the voltage according to the value(s) in the table below.

      Standard Voltage

      Tester Connection Condition Specified Condition
      Y2-2 (SVC3) - Body ground Ignition switch ON (IG) Below 1 V
      Y2-4 (SIG3) - Body ground Ignition switch ON (IG) Below 1 V
      Y2-6 (SGD3) - Body ground Ignition switch ON (IG) Below 1 V
    4. Turn the ignition switch off.
    5. Disconnect the cable from the negative (-) auxiliary battery terminal.

    Result: 

    NG 

    See step  12

    Result: 

    OK 

    See step  3

  3. CHECK FRONT SEAT WIRE RH (OPEN) 
    1. Using a service wire, connect terminals 1 (SVC3) and 3 (SGD3), and connect terminals 2 (SIG3) and 3 (SGD3) of connector C.
      GTY752653Courtesy of © TOYOTA, LICENSE AGREEMENT TMS1002
      *1 Separate Type Front Seat Cushion Spring Assembly (Rear Occupant Classification Sensor LH)
      *2 Occupant Detection ECU
      *3 Front Seat Wire RH
      *4 Service Wire
      *a Front view of wire harness connector
      (to Occupant Detection ECU)
      *b Front view of wire harness connector
      (to Separate Type Front Seat Cushion Spring Assembly (Rear Occupant Classification Sensor LH))
      NOTE:

      Do not forcibly insert the service wire into the terminals of the connector when connecting the wire.

    2. Measure the resistance according to the value(s) in the table below.

      Standard Resistance

      Tester Connection Condition Specified Condition
      Y2-2 (SVC3) - Y2-6 (SGD3) Always Below 1 Ω
      Y2-4 (SIG3) - Y2-6 (SGD3) Always Below 1 Ω
    3. Disconnect the service wire from connector C.

    Result: 

    NG 

    REPLACE FRONT SEAT WIRE RH 

    Result: 

    OK 

    See step  4

  4. CHECK FRONT SEAT WIRE RH (SHORT) 
    1. Measure the resistance according to the value(s) in the table below.
      GTY764643Courtesy of © TOYOTA, LICENSE AGREEMENT TMS1002
      *1 Separate Type Front Seat Cushion Spring Assembly (Rear Occupant Classification Sensor LH)
      *2 Occupant Detection ECU
      *3 Front Seat Wire RH
      *a Front view of wire harness connector
      (to Occupant Detection ECU)

      Standard Resistance

      Tester Connection Condition Specified Condition
      Y2-2 (SVC3) - Y2-6 (SGD3) Always 1 MΩ or higher
      Y2-4 (SIG3) - Y2-6 (SGD3) Always 1 MΩ or higher
      Y2-2 (SVC3) - Y2-4 (SIG3) Always 1 MΩ or higher

    Result: 

    NG 

    REPLACE FRONT SEAT WIRE RH 

    Result: 

    OK 

    See step  5

  5. CHECK FRONT SEAT WIRE RH (SHORT TO GROUND) 
    1. Measure the resistance according to the value(s) in the table below.
      GTY764643Courtesy of © TOYOTA, LICENSE AGREEMENT TMS1002
      *1 Separate Type Front Seat Cushion Spring Assembly (Rear Occupant Classification Sensor LH)
      *2 Occupant Detection ECU
      *3 Front Seat Wire RH
      *a Front view of wire harness connector
      (to Occupant Detection ECU)

      Standard Resistance

      Tester Connection Condition Specified Condition
      Y2-2 (SVC3) - Body ground Always 1 MΩ or higher
      Y2-4 (SIG3) - Body ground Always 1 MΩ or higher
      Y2-6 (SGD3) - Body ground Always 1 MΩ or higher

    Result: 

    NG 

    REPLACE FRONT SEAT WIRE RH 

    Result: 

    OK 

    See step  6

  6. CHECK DTC 
    1. Connect the connectors to the occupant detection ECU and separate type front seat cushion spring assembly (rear occupant classification sensor LH).
    2. Connect the cable to the negative (-) auxiliary battery terminal.
    3. Clear the DTCs stored in the occupant detection ECU (Refer to DTC CHECK / CLEAR [11/2015 - ] ).
    4. Clear the DTCs stored in the airbag sensor assembly (Refer to DTC CHECK / CLEAR [11/2015 - ] ).
    5. Turn the ignition switch off.
    6. Turn the ignition switch to ON (IG).
    7. Check for DTCs (Refer to DTC CHECK / CLEAR [11/2015 - ] ).

      OK

      DTC B1782 is not output.

      HINT: 

      Codes other than DTC B1782 may be output at this time, but they are not related to this check.

    8. Turn the ignition switch off.

    Result: 

    OK 

    USE SIMULATION METHOD TO CHECK 

    Refer to HOW TO PROCEED WITH TROUBLESHOOTING [11/2015 - ] )

    Result: 

    NG 

    See step  7

  7. CHECK OCCUPANT DETECTION ECU 
    1. Disconnect the cable from the negative (-) auxiliary battery terminal.
    2. Replace the occupant detection ECU with a known good one (Refer to REMOVAL [11/2015 - ] ).

      HINT: 

      Perform the following inspection using known good parts from another vehicle if possible.

    3. Connect the cable to the negative (-) auxiliary battery terminal.
    4. Clear the DTCs stored in the occupant detection ECU (Refer to DTC CHECK / CLEAR [11/2015 - ] ).
    5. Clear the DTCs stored in the airbag sensor assembly (Refer to DTC CHECK / CLEAR [11/2015 - ] ).
    6. Turn the ignition switch off.
    7. Turn the ignition switch to ON (IG).
    8. Check for DTCs (Refer to DTC CHECK / CLEAR [11/2015 - ] ).

      OK

      DTC B1782 is not output.

      HINT: 

      Codes other than DTC B1782 may be output at this time, but they are not related to this check.

    9. Turn the ignition switch off.
    10. Disconnect the cable from the negative (-) auxiliary battery terminal.
    11. Return the occupant detection ECU that was installed for testing to its original location (Refer to REMOVAL [11/2015 - ] ).

    Result: 

    NG 

    See step  10

    Result: 

    OK 

    See step  8

  8. REPLACE OCCUPANT DETECTION ECU 
    1. Disconnect the cable from the negative (-) auxiliary battery terminal.
    2. Replace the occupant detection ECU with a new one (Refer to REMOVAL [11/2015 - ] ).
    3. Connect the cable to the negative (-) auxiliary battery terminal.

    NEXT 

    See step  9

  9. PERFORM ZERO POINT CALIBRATION AND SENSITIVITY CHECK 
    1. Using the Techstream, perform Zero Point Calibration and Sensitivity Check (Refer to INITIALIZATION [06/2017 - ] ).

    NEXT 

    END 

  10. REPLACE SEPARATE TYPE FRONT SEAT CUSHION SPRING ASSEMBLY 
    1. Disconnect the cable from the negative (-) auxiliary battery terminal.
    2. Replace the separate type front seat cushion spring assembly (Refer to REMOVAL [11/2015 - ] w/ Non-removable Headrest. w/ Removable Headrest).
    3. Connect the cable to the negative (-) auxiliary battery terminal.

    NEXT 

    See step  11

  11. PERFORM ZERO POINT CALIBRATION AND SENSITIVITY CHECK 
    1. Using the Techstream, perform Zero Point Calibration and Sensitivity Check (Refer to INITIALIZATION [06/2017 - ] ).

    NEXT 

    END 

  12. REPLACE SEPARATE TYPE FRONT SEAT CUSHION SPRING ASSEMBLY 
    1. Disconnect the cable from the negative (-) auxiliary battery terminal.
    2. Replace the separate type front seat cushion spring assembly (Refer to REMOVAL [11/2015 - ] w/ Non-removable Headrest. w/ Removable Headrest).
      NOTE:

      Replace the front seat wire RH at the same time.

      HINT: 

      When a short to B+ occurs in the front seat wire RH, the rear occupant classification sensor LH will be damaged. Therefore, replace the front seat wire RH and the separate type front seat cushion spring assembly, which includes the rear occupant classification sensor LH.

    3. Connect the cable to the negative (-) auxiliary battery terminal.

    NEXT 

    See step  13

  13. PERFORM ZERO POINT CALIBRATION AND SENSITIVITY CHECK 
    1. Using the Techstream, perform Zero Point Calibration and Sensitivity Check (Refer to INITIALIZATION [06/2017 - ] ).

    NEXT 

    END