LEMON Manuals: Even more car manuals for everyone: 1960-2025
Home >> Toyota >> 2017 >> Prius C Two >> Repair and Diagnosis >> Electrical >> Body Electrical >> OEM System Circuits >> Audio System, Navigation System, Parking Assist (Rear View Monitor) >> System Diagrams
April 5, 2026: LEMON Manuals is launched! Read the announcement.

System Diagrams

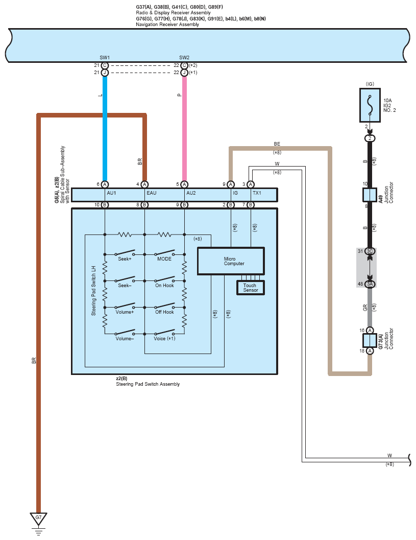
Fig 1: Audio System, Navigation System, Parking Assist (Rear View Monitor) (1 Of 10)
G12211166Courtesy of © TOYOTA, LICENSE AGREEMENT TMS1002
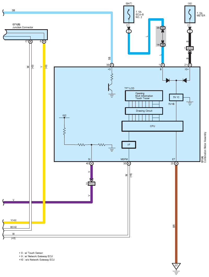
Fig 2: Audio System, Navigation System, Parking Assist (Rear View Monitor) (2 Of 10)
G12211167Courtesy of © TOYOTA, LICENSE AGREEMENT TMS1002
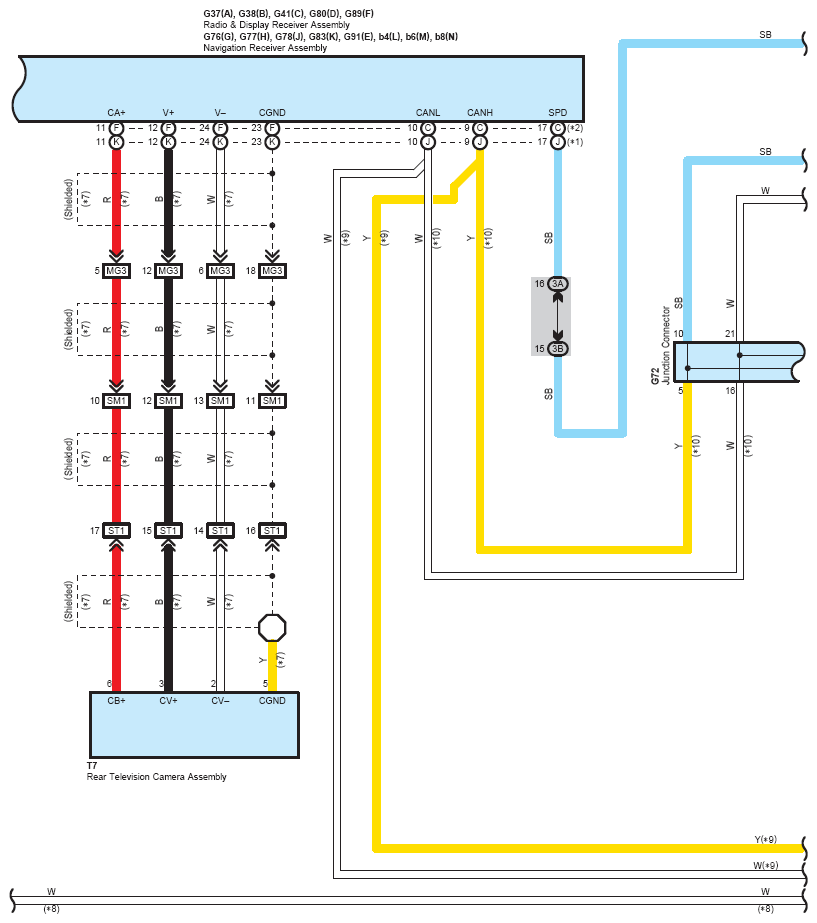
Fig 3: Audio System, Navigation System, Parking Assist (Rear View Monitor) (3 Of 10)
G12211168Courtesy of © TOYOTA, LICENSE AGREEMENT TMS1002
Fig 4: Audio System, Navigation System, Parking Assist (Rear View Monitor) (4 Of 10)
G12211169Courtesy of © TOYOTA, LICENSE AGREEMENT TMS1002
Fig 5: Audio System, Navigation System, Parking Assist (Rear View Monitor) (5 Of 10)
G12211170Courtesy of © TOYOTA, LICENSE AGREEMENT TMS1002
Fig 6: Audio System, Navigation System, Parking Assist (Rear View Monitor) (6 Of 10)
G12211171Courtesy of © TOYOTA, LICENSE AGREEMENT TMS1002
Fig 7: Audio System, Navigation System, Parking Assist (Rear View Monitor) (7 Of 10)
G12211172Courtesy of © TOYOTA, LICENSE AGREEMENT TMS1002
Fig 8: Audio System, Navigation System, Parking Assist (Rear View Monitor) (8 Of 10)
G12211173Courtesy of © TOYOTA, LICENSE AGREEMENT TMS1002
Fig 9: Audio System, Navigation System, Parking Assist (Rear View Monitor) (9 Of 10)
G12211174Courtesy of © TOYOTA, LICENSE AGREEMENT TMS1002
Fig 10: Audio System, Navigation System, Parking Assist (Rear View Monitor) (10 Of 10)
G12211175Courtesy of © TOYOTA, LICENSE AGREEMENT TMS1002