LEMON Manuals: Even more car manuals for everyone: 1960-2025
Home >> Toyota >> 2017 >> Prius C Two >> Repair and Diagnosis >> Electrical >> Body Electrical >> OEM System Circuits >> Cruise Control, Engine Control >> System Diagrams
April 5, 2026: LEMON Manuals is launched! Read the announcement.

System Diagrams

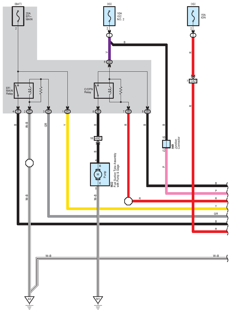
Fig 1: Cruise Control, Engine Control (1 Of 22)
G12211226Courtesy of © TOYOTA, LICENSE AGREEMENT TMS1002
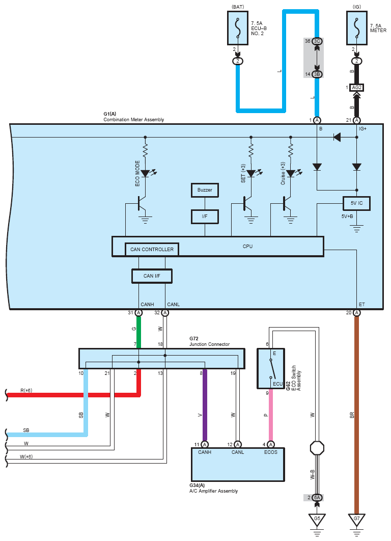
Fig 2: Cruise Control, Engine Control (2 Of 22)
G12211227Courtesy of © TOYOTA, LICENSE AGREEMENT TMS1002
Fig 3: Cruise Control, Engine Control (3 Of 22)
G12211228Courtesy of © TOYOTA, LICENSE AGREEMENT TMS1002
Fig 4: Cruise Control, Engine Control (4 Of 22)
G12211229Courtesy of © TOYOTA, LICENSE AGREEMENT TMS1002
Fig 5: Cruise Control, Engine Control (5 Of 22)
G12211230Courtesy of © TOYOTA, LICENSE AGREEMENT TMS1002
Fig 6: Cruise Control, Engine Control (6 Of 22)
G12211231Courtesy of © TOYOTA, LICENSE AGREEMENT TMS1002
Fig 7: Cruise Control, Engine Control (7 Of 22)
G12211232Courtesy of © TOYOTA, LICENSE AGREEMENT TMS1002
Fig 8: Cruise Control, Engine Control (8 Of 22)
G12211233Courtesy of © TOYOTA, LICENSE AGREEMENT TMS1002
Fig 9: Cruise Control, Engine Control (9 Of 22)
G12211234Courtesy of © TOYOTA, LICENSE AGREEMENT TMS1002
Fig 10: Cruise Control, Engine Control (10 Of 22)
G12211235Courtesy of © TOYOTA, LICENSE AGREEMENT TMS1002
Fig 11: Cruise Control, Engine Control (11 Of 22)
G12211236Courtesy of © TOYOTA, LICENSE AGREEMENT TMS1002
Fig 12: Cruise Control, Engine Control (12 Of 22)
G12211237Courtesy of © TOYOTA, LICENSE AGREEMENT TMS1002
Fig 13: Cruise Control, Engine Control (13 Of 22)
G12211238Courtesy of © TOYOTA, LICENSE AGREEMENT TMS1002
Fig 14: Cruise Control, Engine Control (14 Of 22)
G12211239Courtesy of © TOYOTA, LICENSE AGREEMENT TMS1002
Fig 15: Cruise Control, Engine Control (15 Of 22)
G12211240Courtesy of © TOYOTA, LICENSE AGREEMENT TMS1002
Fig 16: Cruise Control, Engine Control (16 Of 22)
G12211241Courtesy of © TOYOTA, LICENSE AGREEMENT TMS1002
Fig 17: Cruise Control, Engine Control (17 Of 22)
G12211242Courtesy of © TOYOTA, LICENSE AGREEMENT TMS1002
Fig 18: Cruise Control, Engine Control (18 Of 22)
G12211243Courtesy of © TOYOTA, LICENSE AGREEMENT TMS1002
Fig 19: Cruise Control, Engine Control (19 Of 22)
G12211244Courtesy of © TOYOTA, LICENSE AGREEMENT TMS1002
Fig 20: Cruise Control, Engine Control (20 Of 22)
G12211245Courtesy of © TOYOTA, LICENSE AGREEMENT TMS1002
Fig 21: Cruise Control, Engine Control (21 Of 22)
G12211246Courtesy of © TOYOTA, LICENSE AGREEMENT TMS1002
Fig 22: Cruise Control, Engine Control (22 Of 22)
G12211247Courtesy of © TOYOTA, LICENSE AGREEMENT TMS1002