LEMON Manuals: Even more car manuals for everyone: 1960-2025
Home >> Toyota >> 2017 >> Prius C Two >> Repair and Diagnosis >> Engine Performance >> Remove, Overhaul & Install >> Engine Control System (Service Information) >> Integration Relay >> Inspection [11/2015 - ] >> Procedure
April 5, 2026: LEMON Manuals is launched! Read the announcement.

Inspection [11/2015 - ]: Procedure

  1. INSPECT NO. 1 INTEGRATION RELAY 
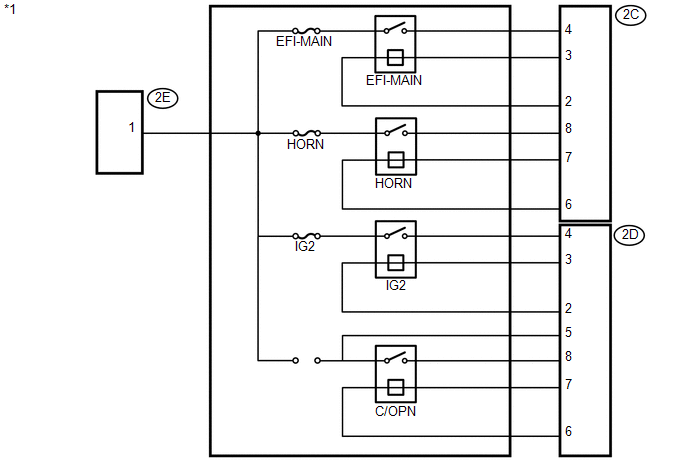
    GTY697503Courtesy of © TOYOTA, LICENSE AGREEMENT TMS1002.
    TEXT IN ILLUSTRATION

    *1 No. 1 Integration Relay - -
    1. EFI-MAIN Relay:
      1. Measure the resistance according to the value(s) in the table below.
        GTY705892Courtesy of © TOYOTA, LICENSE AGREEMENT TMS1002.
        TEXT IN ILLUSTRATION

        *1 No. 1 Integration Relay

        Standard Resistance

        Tester Connection Condition Specified Condition
        No. 1 Integration relay (2E-1) - No. 1 Integration relay (2C-4) Auxiliary battery voltage is not applied between terminals 2C-3 and 2C-2 10 kΩ or higher
        No. 1 Integration relay (2E-1) - No. 1 Integration relay (2C-4) Auxiliary battery voltage is applied between terminals 2C-3 and 2C-2 Below 1 Ω

        If the resistance is not as specified, replace the No. 1 integration relay.

    2. HORN Relay:
      1. Measure the resistance according to the value(s) in the table below.
        GTY705892Courtesy of © TOYOTA, LICENSE AGREEMENT TMS1002.
        TEXT IN ILLUSTRATION

        *1 No. 1 Integration Relay

        Standard Resistance

        Tester Connection Condition Specified Condition
        No. 1 Integration relay (2E-1) - No. 1 Integration relay (2C-8) Auxiliary battery voltage is not applied between terminals 2C-6 and 2C-7 10 kΩ or higher
        No. 1 Integration relay (2E-1) - No. 1 Integration relay (2C-8) Auxiliary battery voltage is applied between terminals 2C-6 and 2C-7 Below 1 Ω

        If the resistance is not as specified, replace the No. 1 integration relay.

    3. IG2 Relay:
      1. Measure the resistance according to the value(s) in the table below.
        GTY705892Courtesy of © TOYOTA, LICENSE AGREEMENT TMS1002.
        TEXT IN ILLUSTRATION

        *1 No. 1 Integration Relay

        Standard Resistance

        Tester Connection Condition Specified Condition
        No. 1 Integration relay (2E-1) - No. 1 Integration relay (2D-4) Auxiliary battery voltage is not applied between terminals 2D-2 and 2D-3 10 kΩ or higher
        No. 1 Integration relay (2E-1) - No. 1 Integration relay (2D-4) Auxiliary battery voltage is applied between terminals 2D-2 and 2D-3 Below 1 Ω

        If the resistance is not as specified, replace the No. 1 integration relay.

    4. C/OPN Relay:
      1. Measure the resistance according to the value(s) in the table below.
        GTY705892Courtesy of © TOYOTA, LICENSE AGREEMENT TMS1002.
        TEXT IN ILLUSTRATION

        *1 No. 1 Integration Relay

        Standard Resistance

        Tester Connection Condition Specified Condition
        No. 1 Integration relay (2D-5) - No. 1 Integration relay (2D-8) Auxiliary battery voltage is not applied between terminals 2D-6 and 2D-7 10 kΩ or higher
        No. 1 Integration relay (2D-5) - No. 1 Integration relay (2D-8) Auxiliary battery voltage is applied between terminals 2D-6 and 2D-7 Below 1 Ω

        If the resistance is not as specified, replace the No. 1 integration relay.