LEMON Manuals: Even more car manuals for everyone: 1960-2025
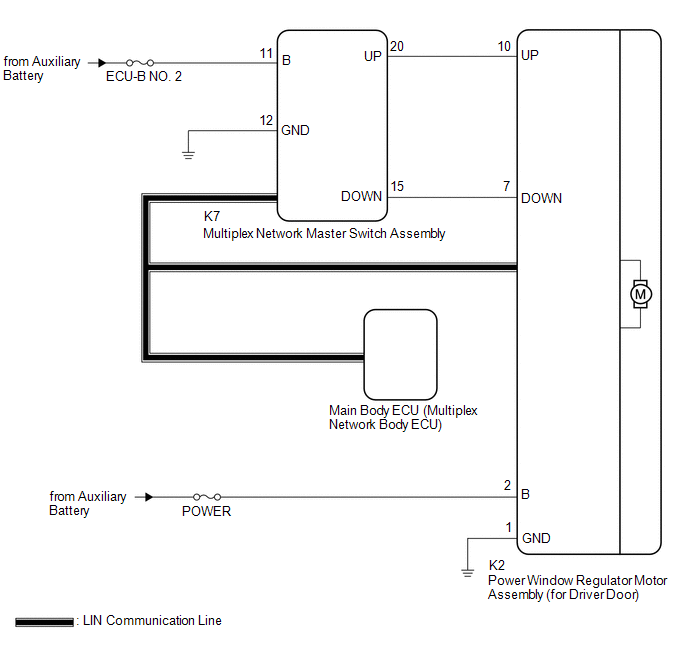
Home >> Toyota >> 2017 >> Prius Prime Advanced >> Repair and Diagnosis (Single Page) >> Body & Frame >> Windows >> Power Window Control System - Diagnostic Codes & Symptom Tests >> Power Window Control System >> Symptom Tests >> Driver Side Power Window does not Operate with Power Window Master Switch [09/2016 - ] >> Wiring Diagram
April 5, 2026: LEMON Manuals is launched! Read the announcement.

Driver Side Power Window does not Operate with Power Window Master Switch [09/2016 - ]: Wiring Diagram

GTY707188Courtesy of © TOYOTA, LICENSE AGREEMENT TMS1002