LEMON Manuals: Even more car manuals for everyone: 1960-2025
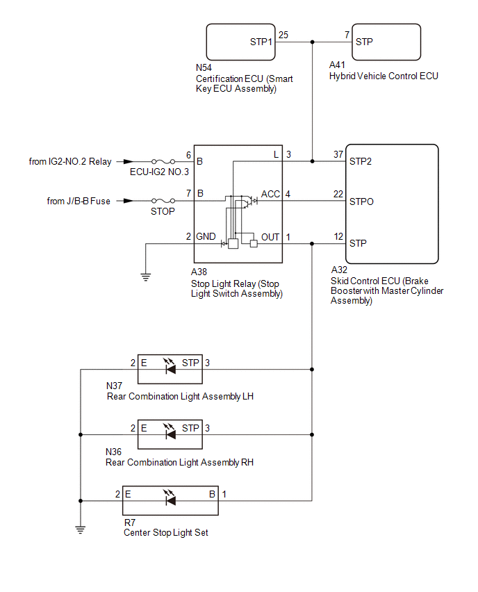
Home >> Toyota >> 2017 >> Prius Prime Advanced >> Repair and Diagnosis (Single Page) >> Restraints >> Restraints Control Systems >> Pre-Collision System - Diagnostic Codes & Circuit Tests >> Pre-Collision System >> DTC C1A4B: Stop Light Relay Circuit [09/2016 - 05/2019] >> Wiring Diagram
April 5, 2026: LEMON Manuals is launched! Read the announcement.

DTC C1A4B: Stop Light Relay Circuit [09/2016 - 05/2019]: Wiring Diagram

GTY710143Courtesy of © TOYOTA, LICENSE AGREEMENT TMS1002