LEMON Manuals: Even more car manuals for everyone: 1960-2025
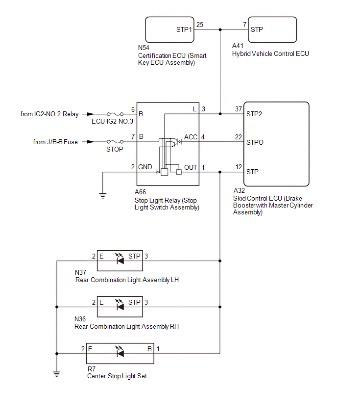
Home >> Toyota >> 2017 >> Prius Prime Advanced >> Repair and Diagnosis >> Restraints >> Restraints Control Systems >> Pre-Collision System - Diagnostic Codes & Circuit Tests >> Pre-Collision System >> DTC C1A4B: Stop Light Relay Circuit [05/2019 - 07/2020] >> Wiring Diagram
April 5, 2026: LEMON Manuals is launched! Read the announcement.

DTC C1A4B: Stop Light Relay Circuit [05/2019 - 07/2020]: Wiring Diagram

GTY905189Courtesy of © TOYOTA, LICENSE AGREEMENT TMS1002