LEMON Manuals: Even more car manuals for everyone: 1960-2025
Home >> Toyota >> 2017 >> Prius Two >> Repair and Diagnosis >> Electrical >> Body Electrical >> OEM System Circuits >> Back Door Opener, Immobilizer System, Smart Key System, Starting, Steering Lock, Wireless Door Lock Control >> System Diagrams
April 5, 2026: LEMON Manuals is launched! Read the announcement.

System Diagrams

Fig 1: Back Door Opener, Immobilizer System, Smart Key System, Starting, Steering Lock, Wireless Door Lock Control (1 Of 19)
G12208444Courtesy of © TOYOTA, LICENSE AGREEMENT TMS1002
Fig 2: Back Door Opener, Immobilizer System, Smart Key System, Starting, Steering Lock, Wireless Door Lock Control (2 Of 19)
G12208445Courtesy of © TOYOTA, LICENSE AGREEMENT TMS1002
Fig 3: Back Door Opener, Immobilizer System, Smart Key System, Starting, Steering Lock, Wireless Door Lock Control (3 Of 19)
G12208446Courtesy of © TOYOTA, LICENSE AGREEMENT TMS1002
Fig 4: Back Door Opener, Immobilizer System, Smart Key System, Starting, Steering Lock, Wireless Door Lock Control (4 Of 19)
G12208447Courtesy of © TOYOTA, LICENSE AGREEMENT TMS1002
Fig 5: Back Door Opener, Immobilizer System, Smart Key System, Starting, Steering Lock, Wireless Door Lock Control (5 Of 19)
G12208448Courtesy of © TOYOTA, LICENSE AGREEMENT TMS1002
Fig 6: Back Door Opener, Immobilizer System, Smart Key System, Starting, Steering Lock, Wireless Door Lock Control (6 Of 19)
G12208449Courtesy of © TOYOTA, LICENSE AGREEMENT TMS1002
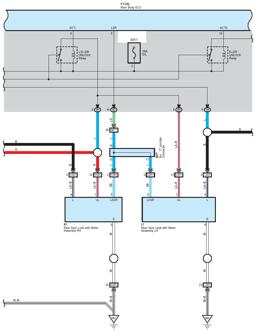
Fig 7: Back Door Opener, Immobilizer System, Smart Key System, Starting, Steering Lock, Wireless Door Lock Control (7 Of 19)
G12208450Courtesy of © TOYOTA, LICENSE AGREEMENT TMS1002
Fig 8: Back Door Opener, Immobilizer System, Smart Key System, Starting, Steering Lock, Wireless Door Lock Control (8 Of 19)
G12208451Courtesy of © TOYOTA, LICENSE AGREEMENT TMS1002
Fig 9: Back Door Opener, Immobilizer System, Smart Key System, Starting, Steering Lock, Wireless Door Lock Control (9 Of 19)
G12208452Courtesy of © TOYOTA, LICENSE AGREEMENT TMS1002
Fig 10: Back Door Opener, Immobilizer System, Smart Key System, Starting, Steering Lock, Wireless Door Lock Control (10 Of 19)
G12208453Courtesy of © TOYOTA, LICENSE AGREEMENT TMS1002
Fig 11: Back Door Opener, Immobilizer System, Smart Key System, Starting, Steering Lock, Wireless Door Lock Control (11 Of 19)
G12208454Courtesy of © TOYOTA, LICENSE AGREEMENT TMS1002
Fig 12: Back Door Opener, Immobilizer System, Smart Key System, Starting, Steering Lock, Wireless Door Lock Control (12 Of 19)
G12208455Courtesy of © TOYOTA, LICENSE AGREEMENT TMS1002
Fig 13: Back Door Opener, Immobilizer System, Smart Key System, Starting, Steering Lock, Wireless Door Lock Control (13 Of 19)
G12208456Courtesy of © TOYOTA, LICENSE AGREEMENT TMS1002
Fig 14: Back Door Opener, Immobilizer System, Smart Key System, Starting, Steering Lock, Wireless Door Lock Control (14 Of 19)
G12208457Courtesy of © TOYOTA, LICENSE AGREEMENT TMS1002
Fig 15: Back Door Opener, Immobilizer System, Smart Key System, Starting, Steering Lock, Wireless Door Lock Control (15 Of 19)
G12208458Courtesy of © TOYOTA, LICENSE AGREEMENT TMS1002
Fig 16: Back Door Opener, Immobilizer System, Smart Key System, Starting, Steering Lock, Wireless Door Lock Control (16 Of 19)
G12208459Courtesy of © TOYOTA, LICENSE AGREEMENT TMS1002
Fig 17: Back Door Opener, Immobilizer System, Smart Key System, Starting, Steering Lock, Wireless Door Lock Control (17 Of 19)
G12208460Courtesy of © TOYOTA, LICENSE AGREEMENT TMS1002
Fig 18: Back Door Opener, Immobilizer System, Smart Key System, Starting, Steering Lock, Wireless Door Lock Control (18 Of 19)
G12208461Courtesy of © TOYOTA, LICENSE AGREEMENT TMS1002
Fig 19: Back Door Opener, Immobilizer System, Smart Key System, Starting, Steering Lock, Wireless Door Lock Control (19 Of 19)
G12208462Courtesy of © TOYOTA, LICENSE AGREEMENT TMS1002