LEMON Manuals: Even more car manuals for everyone: 1960-2025
Home >> Toyota >> 2017 >> Prius Two >> Repair and Diagnosis >> Electrical >> Body Electrical >> OEM System Circuits >> Door Lock Control >> System Diagrams
April 5, 2026: LEMON Manuals is launched! Read the announcement.

System Diagrams

Fig 1: Door Lock Control (1 Of 9)
G12208117Courtesy of © TOYOTA, LICENSE AGREEMENT TMS1002
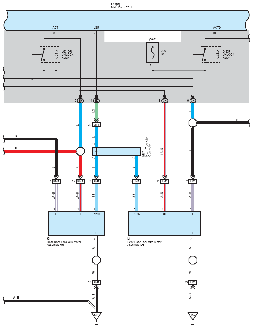
Fig 2: Door Lock Control (2 Of 9)
G12208118Courtesy of © TOYOTA, LICENSE AGREEMENT TMS1002
Fig 3: Door Lock Control (3 Of 9)
G12208119Courtesy of © TOYOTA, LICENSE AGREEMENT TMS1002
Fig 4: Door Lock Control (4 Of 9)
G12208120Courtesy of © TOYOTA, LICENSE AGREEMENT TMS1002
Fig 5: Door Lock Control (5 Of 9)
G12208121Courtesy of © TOYOTA, LICENSE AGREEMENT TMS1002
Fig 6: Door Lock Control (6 Of 9)
G12208122Courtesy of © TOYOTA, LICENSE AGREEMENT TMS1002
Fig 7: Door Lock Control (7 Of 9)
G12208123Courtesy of © TOYOTA, LICENSE AGREEMENT TMS1002
Fig 8: Door Lock Control (8 Of 9)
G12208124Courtesy of © TOYOTA, LICENSE AGREEMENT TMS1002
Fig 9: Door Lock Control (9 Of 9)
G12208125Courtesy of © TOYOTA, LICENSE AGREEMENT TMS1002