LEMON Manuals: Even more car manuals for everyone: 1960-2025
Home >> Toyota >> 2017 >> Prius Two >> Repair and Diagnosis >> Electrical >> Body Electrical >> OEM System Circuits >> Interior Light >> System Diagrams
April 5, 2026: LEMON Manuals is launched! Read the announcement.

System Diagrams

Fig 1: Interior Light (1 Of 6)
G12208313Courtesy of © TOYOTA, LICENSE AGREEMENT TMS1002
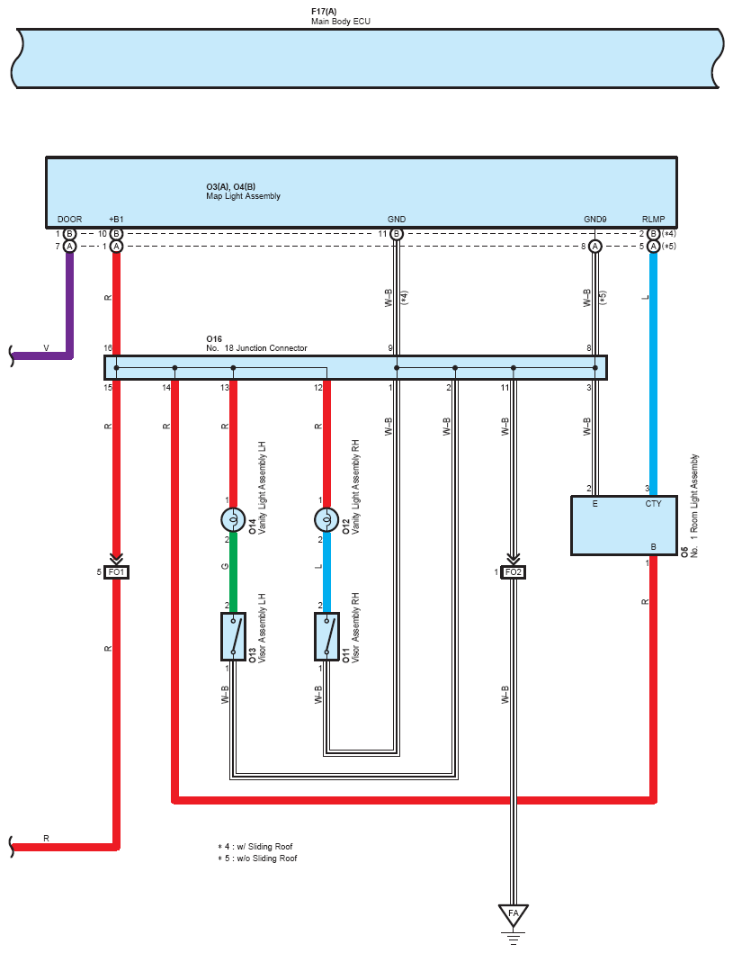
Fig 2: Interior Light (2 Of 6)
G12208314Courtesy of © TOYOTA, LICENSE AGREEMENT TMS1002
Fig 3: Interior Light (3 Of 6)
G12208315Courtesy of © TOYOTA, LICENSE AGREEMENT TMS1002
Fig 4: Interior Light (4 Of 6)
G12208316Courtesy of © TOYOTA, LICENSE AGREEMENT TMS1002
Fig 5: Interior Light (5 Of 6)
G12208317Courtesy of © TOYOTA, LICENSE AGREEMENT TMS1002
Fig 6: Interior Light (6 Of 6)
G12208318Courtesy of © TOYOTA, LICENSE AGREEMENT TMS1002