LEMON Manuals: Even more car manuals for everyone: 1960-2025
Home >> Toyota >> 2017 >> Prius Two >> Repair and Diagnosis >> Electrical >> Body Electrical >> OEM System Circuits >> Power Window >> System Diagrams
April 5, 2026: LEMON Manuals is launched! Read the announcement.

System Diagrams

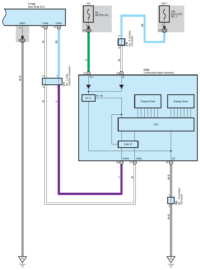
Fig 1: Power Window (1 Of 7)
G12208397Courtesy of © TOYOTA, LICENSE AGREEMENT TMS1002
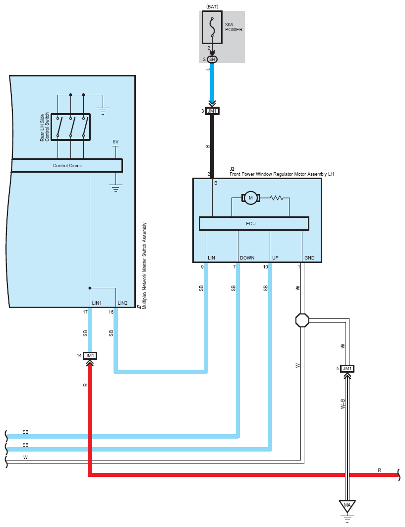
Fig 2: Power Window (2 Of 7)
G12208398Courtesy of © TOYOTA, LICENSE AGREEMENT TMS1002
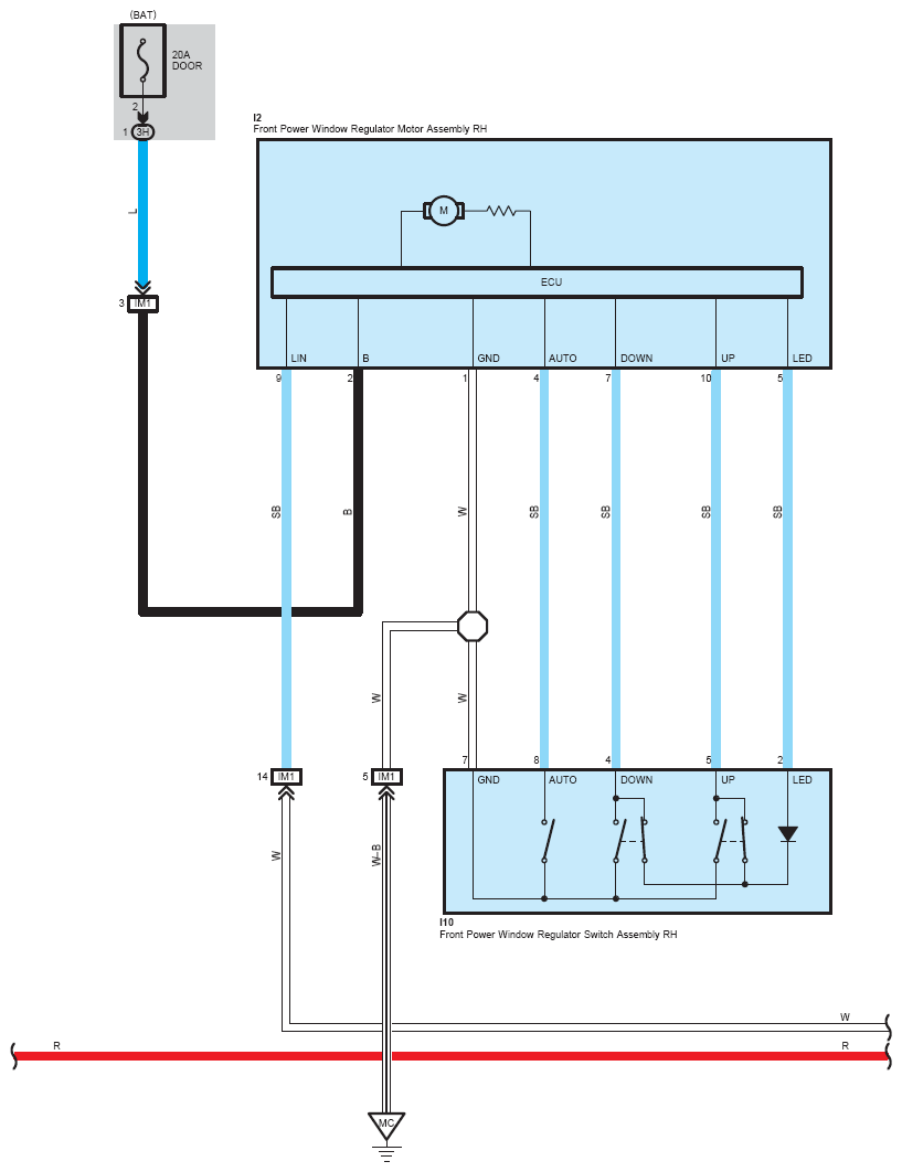
Fig 3: Power Window (3 Of 7)
G12208399Courtesy of © TOYOTA, LICENSE AGREEMENT TMS1002
Fig 4: Power Window (4 Of 7)
G12208400Courtesy of © TOYOTA, LICENSE AGREEMENT TMS1002
Fig 5: Power Window (5 Of 7)
G12208401Courtesy of © TOYOTA, LICENSE AGREEMENT TMS1002
Fig 6: Power Window (6 Of 7)
G12208402Courtesy of © TOYOTA, LICENSE AGREEMENT TMS1002
Fig 7: Power Window (7 Of 7)
G12208403Courtesy of © TOYOTA, LICENSE AGREEMENT TMS1002