LEMON Manuals: Even more car manuals for everyone: 1960-2025
Home >> Toyota >> 2017 >> Prius V Two >> Repair and Diagnosis >> Electrical >> Body Electrical >> OEM System Circuits >> Hybrid System, Shift Control System >> System Diagrams
April 5, 2026: LEMON Manuals is launched! Read the announcement.

System Diagrams

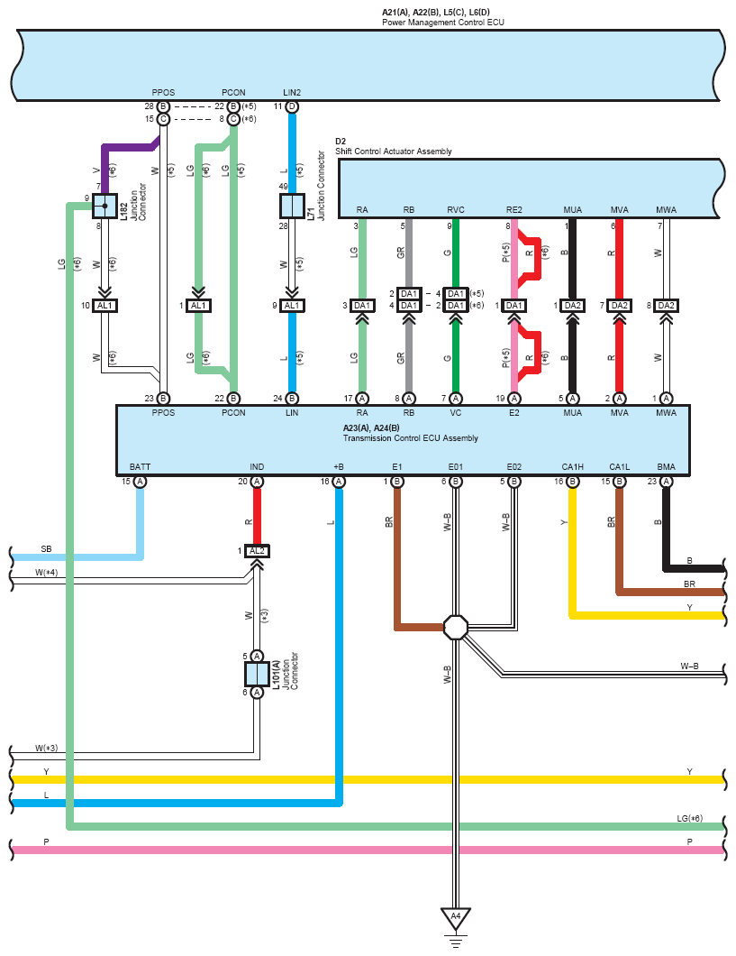
Fig 1: Hybrid System, Shift Control System (1 Of 28)
G12214451Courtesy of © TOYOTA, LICENSE AGREEMENT TMS1002
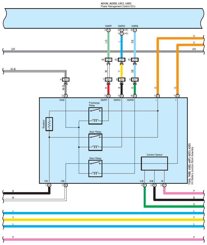
Fig 2: Hybrid System, Shift Control System (2 Of 28)
G12214452Courtesy of © TOYOTA, LICENSE AGREEMENT TMS1002
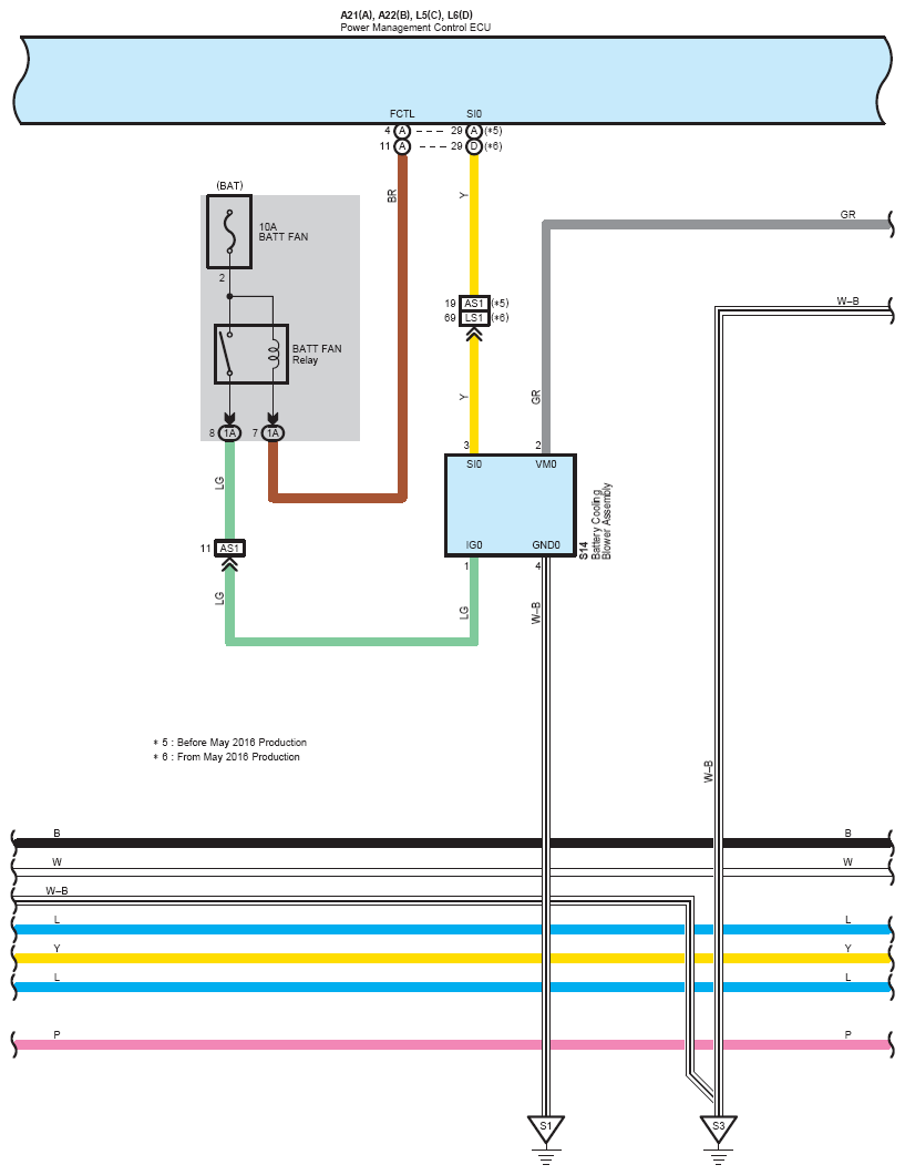
Fig 3: Hybrid System, Shift Control System (3 Of 28)
G12214453Courtesy of © TOYOTA, LICENSE AGREEMENT TMS1002
Fig 4: Hybrid System, Shift Control System (4 Of 28)
G12214454Courtesy of © TOYOTA, LICENSE AGREEMENT TMS1002
Fig 5: Hybrid System, Shift Control System (5 Of 28)
G12214455Courtesy of © TOYOTA, LICENSE AGREEMENT TMS1002
Fig 6: Hybrid System, Shift Control System (6 Of 28)
G12214456Courtesy of © TOYOTA, LICENSE AGREEMENT TMS1002
Fig 7: Hybrid System, Shift Control System (7 Of 28)
G12214457Courtesy of © TOYOTA, LICENSE AGREEMENT TMS1002
Fig 8: Hybrid System, Shift Control System (8 Of 28)
G12214458Courtesy of © TOYOTA, LICENSE AGREEMENT TMS1002
Fig 9: Hybrid System, Shift Control System (9 Of 28)
G12214459Courtesy of © TOYOTA, LICENSE AGREEMENT TMS1002
Fig 10: Hybrid System, Shift Control System (10 Of 28)
G12214460Courtesy of © TOYOTA, LICENSE AGREEMENT TMS1002
Fig 11: Hybrid System, Shift Control System (11 Of 28)
G12214461Courtesy of © TOYOTA, LICENSE AGREEMENT TMS1002
Fig 12: Hybrid System, Shift Control System (12 Of 28)
G12214462Courtesy of © TOYOTA, LICENSE AGREEMENT TMS1002
Fig 13: Hybrid System, Shift Control System (13 Of 28)
G12214463Courtesy of © TOYOTA, LICENSE AGREEMENT TMS1002
Fig 14: Hybrid System, Shift Control System (14 Of 28)
G12214464Courtesy of © TOYOTA, LICENSE AGREEMENT TMS1002
Fig 15: Hybrid System, Shift Control System (15 Of 28)
G12214465Courtesy of © TOYOTA, LICENSE AGREEMENT TMS1002
Fig 16: Hybrid System, Shift Control System (16 Of 28)
G12214466Courtesy of © TOYOTA, LICENSE AGREEMENT TMS1002
Fig 17: Hybrid System, Shift Control System (17 Of 28)
G12214467Courtesy of © TOYOTA, LICENSE AGREEMENT TMS1002
Fig 18: Hybrid System, Shift Control System (18 Of 28)
G12214468Courtesy of © TOYOTA, LICENSE AGREEMENT TMS1002
Fig 19: Hybrid System, Shift Control System (19 Of 28)
G12214469Courtesy of © TOYOTA, LICENSE AGREEMENT TMS1002
Fig 20: Hybrid System, Shift Control System (20 Of 28)
G12214470Courtesy of © TOYOTA, LICENSE AGREEMENT TMS1002
Fig 21: Hybrid System, Shift Control System (21 Of 28)
G12214471Courtesy of © TOYOTA, LICENSE AGREEMENT TMS1002
Fig 22: Hybrid System, Shift Control System (22 Of 28)
G12214472Courtesy of © TOYOTA, LICENSE AGREEMENT TMS1002
Fig 23: Hybrid System, Shift Control System (23 Of 28)
G12214473Courtesy of © TOYOTA, LICENSE AGREEMENT TMS1002
Fig 24: Hybrid System, Shift Control System (24 Of 28)
G12214474Courtesy of © TOYOTA, LICENSE AGREEMENT TMS1002
Fig 25: Hybrid System, Shift Control System (25 Of 28)
G12214475Courtesy of © TOYOTA, LICENSE AGREEMENT TMS1002
Fig 26: Hybrid System, Shift Control System (26 Of 28)
G12214476Courtesy of © TOYOTA, LICENSE AGREEMENT TMS1002
Fig 27: Hybrid System, Shift Control System (27 Of 28)
G12214477Courtesy of © TOYOTA, LICENSE AGREEMENT TMS1002
Fig 28: Hybrid System, Shift Control System (28 Of 28)
G12214478Courtesy of © TOYOTA, LICENSE AGREEMENT TMS1002