LEMON Manuals: Even more car manuals for everyone: 1960-2025
Home >> Toyota >> 2017 >> RAV4 LE, AWD >> Repair and Diagnosis (Single Page) >> Accessories & Equipment >> Anti-Theft Systems >> Smart Key System (Start Function) (Diagnostic Codes & Symptom Tests) (Except Hybrid) >> SMART KEY SYSTEM (for Start Function) >> Symptom Tests >> Power Source Mode does not Change to ON (IG and ACC) [12/2012 - 10/2015] >> Wiring Diagram
April 5, 2026: LEMON Manuals is launched! Read the announcement.

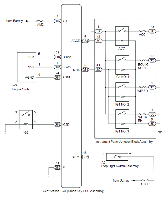
Power Source Mode does not Change to ON (IG and ACC) [12/2012 - 10/2015]: Wiring Diagram

GTY378817Courtesy of © TOYOTA, LICENSE AGREEMENT TMS1002