LEMON Manuals: Even more car manuals for everyone: 1960-2025
Home >> Toyota >> 2017 >> RAV4 LE, AWD >> Repair and Diagnosis (Single Page) >> Restraints >> Air Bag, SRS >> Occupant Classification System (Diagnostic Codes & Symptom Tests) (Except Hybrid) >> Occupant Classification System >> DTC B1793: Occupant Classification Sensor Power Supply Circuit Malfunction [12/2012 - ] >> Procedure
April 5, 2026: LEMON Manuals is launched! Read the announcement.

DTC B1793: Occupant Classification Sensor Power Supply Circuit Malfunction [12/2012 - ]: Procedure

  1. CHECK DTC 
    1. Turn the ignition switch to ON, and wait for at least 60 seconds.
    2. Clear the DTCs.

      Refer to DTC CHECK / CLEAR [12/2012 - ]

      Body Electrical > Occupant Detection > Clear DTCs 

      HINT: 

      • First clear the DTCs stored in the occupant detection ECU, and then clear the DTCs stored in the airbag sensor assembly.
      • Use the Techstream to clear the DTCs of the occupant detection ECU, otherwise the DTCs cannot be cleared.
    3. Turn the ignition switch off.
    4. Turn the ignition switch to ON, and wait for at least 60 seconds.
    5. Check for DTCs.

      Refer to DTC CHECK / CLEAR [12/2012 - ]

      Body Electrical > Occupant Detection > Trouble Codes 

      Result

      Proceed to
      DTC B1793 is not output
      DTC B1793 is output

      HINT: 

      DTCs other than DTC B1793 may be output at this time, but they are not related to this check.

    Result: 

    DTC B1793 is not output 

    USE SIMULATION METHOD TO CHECK. Refer to  DIAGNOSIS SYSTEM [12/2012 - ] 

    Result: 

    DTC B1793 is output 

    See step  2

  2. CHECK CONNECTION OF CONNECTOR 
    1. Turn the ignition switch off.
    2. Disconnect the cable from the negative (-) battery terminal, and wait for at least 90 seconds.
    3. Check that the connectors are properly connected to the occupant detection ECU and 2 occupant classification sensors.

      Result

      Proceed to
      Connectors are properly connected
      Connectors are not properly connected

    Result: 

    Connectors are not properly connected 

    CONNECT CONNECTOR 

    Result: 

    Connectors are properly connected 

    See step  3

  3. CHECK CONNECTOR 
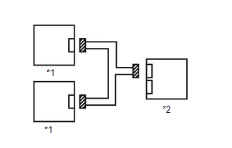
    1. Disconnect the connectors from the occupant detection ECU and 2 occupant classification sensors.
      GTY607926Courtesy of TOYOTA MOTOR SALES, U.S.A., INC.
      *1 Occupant Classification Sensor
      *2 Occupant Detection ECU
    2. Check that the connectors (on the occupant detection ECU side and 2 occupant classification sensors side) are not damaged.

      Result

      Proceed to
      Connectors are not deformed or damaged
      Connectors are deformed or damaged

    Result: 

    Connectors are deformed or damaged 

    REPLACE FRONT SEAT WIRE RH 

    Result: 

    Connectors are not deformed or damaged 

    See step  4

  4. CHECK FRONT SEAT WIRE RH 
    1. Connect the cable to the negative (-) battery terminal, and wait for at least 2 seconds.
      GTY545368Courtesy of TOYOTA MOTOR SALES, U.S.A., INC.
      *A Type A *B Type B
      *1 Front Seat Wire RH *2 Occupant Classification Sensor
      *3 Occupant Detection ECU *4 Connector B
      *5 Connector C *6 Connector E
      *a Front view of wire harness connector
      (to Occupant Detection ECU)
      *b Front view of wire harness connector
      (to Occupant Classification Sensor)
    2. Turn the ignition switch to ON.
    3. Measure the voltage according to the value(s) in the table below.

      Standard Voltage

      Tester Connection Switch Condition Specified Condition
      d15-1 - Body ground Ignition switch ON Below 1 V
      d15-2 - Body ground
    4. Turn the ignition switch off.
    5. Disconnect the cable from the negative (-) battery terminal, and wait for at least 90 seconds.
    6. Measure the resistance according to the value(s) in the table below.

      Standard Resistance

      TYPE A

      Tester Connection Condition Specified Condition
      d15-1 - d8-1 Always Below 1 Ω
      d15-2 - d7-1
      d15-1 - d15-2 Always 1 MΩ or higher
      d15-1 - Body ground
      d15-2 - Body ground
      TYPE B

      Tester Connection Condition Specified Condition
      d15-1 - d19-1 Always Below 1 Ω
      d15-2 - d20-1
      d15-1 - d15-2 Always 1 MΩ or higher
      d15-1 - Body ground
      d15-2 - Body ground

      Result

      Proceed to
      OK
      NG

    Result: 

    NG 

    REPLACE FRONT SEAT WIRE RH 

    Result: 

    OK 

    See step  5

  5. CHECK DTC 
    1. Connect the connectors to occupant detection ECU and 2 occupant classification sensors.
    2. Connect the cable to the negative (-) battery terminal, and wait for at least 2 seconds.
    3. Turn the ignition switch to ON, and wait for at least 60 seconds.
    4. Clear the DTCs.

      Refer to DTC CHECK / CLEAR [12/2012 - ]

      Body Electrical > Occupant Detection > Clear DTCs 

      HINT: 

      • First clear the DTCs stored in the occupant detection ECU, and then clear the DTCs stored in the airbag sensor assembly.
      • Use the Techstream to clear the DTCs of the occupant detection ECU, otherwise the DTCs cannot be cleared.
    5. Turn the ignition switch off.
    6. Turn the ignition switch to ON, and wait for at least 60 seconds.
    7. Check for DTCs.

      Refer to DTC CHECK / CLEAR [12/2012 - ]

      Body Electrical > Occupant Detection > Trouble Codes 

      Result

      Proceed to
      DTC B1793 is not output
      DTC B1793 is output

      HINT: 

      DTCs other than DTC B1793 may be output at this time, but they are not related to this check.

    Result: 

    DTC B1793 is not output 

    USE SIMULATION METHOD TO CHECK. Refer to  DIAGNOSIS SYSTEM [12/2012 - ] 

    Result: 

    DTC B1793 is output 

    See step  6

  6. REPLACE OCCUPANT DETECTION ECU 
    1. Turn the ignition switch off.
    2. Disconnect the cable from the negative (-) battery terminal, and wait for at least 90 seconds.
    3. Replace the occupant detection ECU.

      Refer to DTC CHECK / CLEAR [12/2012 - ]

      HINT: 

      Perform the inspection using parts from a normal vehicle when possible.

    Result: 

    NEXT 

    See step  7

  7. PERFORM ZERO POINT CALIBRATION 
    1. Connect the cable to the negative (-) battery terminal, and wait for at least 2 seconds.
    2. Turn the ignition switch to ON.
    3. Perform the zero point calibration.

      Refer to INITIALIZATION [12/2012 - ]

      Result

      Proceed to
      "Zero Point Calibration is complete." is displayed
      "Zero Point Calibration is complete." is not displayed

    Result: 

    "Zero Point Calibration is complete." is not displayed 

    See step  10

    Result: 

    "Zero Point Calibration is complete." is displayed 

    See step  8

  8. PERFORM SENSITIVITY CHECK 
    1. Perform the sensitivity check.

      Refer to INITIALIZATION [12/2012 - ]

      Standard

      27 to 33 kg (59.5 to 72.8 lb)

      Result

      Proceed to
      OK
      NG

    Result: 

    NG 

    See step  10

    Result: 

    OK 

    See step  9

  9. CHECK DTC 
    1. Clear the DTCs.

      Refer to DTC CHECK / CLEAR [12/2012 - ]

      Body Electrical > Occupant Detection > Clear DTCs 

      HINT: 

      • First clear the DTCs stored in the occupant detection ECU, and then clear the DTCs stored in the airbag sensor assembly.
      • Use the Techstream to clear the DTCs of the occupant detection ECU, otherwise the DTCs cannot be cleared.
    2. Turn the ignition switch off.
    3. Turn the ignition switch to ON, and wait for at least 60 seconds.
    4. Check for DTCs.

      Refer to DTC CHECK / CLEAR [12/2012 - ]

      Body Electrical > Occupant Detection > Trouble Codes 

      Result

      Proceed to
      DTC B1793 is not output
      DTC B1793 is output

      HINT: 

      DTCs other than DTC B1793 may be output at this time, but they are not related to this check.

    Result: 

    DTC B1793 is not output 

    END (OCCUPANT DETECTION ECU WAS DEFECTIVE) 

    Result: 

    DTC B1793 is output 

    See step  10

  10. REPLACE SEPARATE TYPE FRONT SEAT CUSHION SPRING ASSEMBLY (2 OCCUPANT CLASSIFICATION SENSORS) 
    1. Turn the ignition switch off.
    2. Disconnect the cable from the negative (-) battery terminal, and wait for at least 90 seconds.
    3. Replace the separate type front seat cushion spring assembly.

      HINT: 

      Perform the inspection using parts from a normal vehicle when possible.

    Result: 

    NEXT 

    See step  11

  11. PERFORM ZERO POINT CALIBRATION 
    1. Connect the cable to the negative (-) battery terminal, and wait for at least 2 seconds.
    2. Turn the ignition switch to ON.
    3. Perform the zero point calibration.

      Refer to INITIALIZATION [12/2012 - ]

    Result: 

    NEXT 

    See step  12

  12. PERFORM SENSITIVITY CHECK 
    1. Perform the sensitivity check.

      Refer to INITIALIZATION [12/2012 - ]

      Standard

      27 to 33 kg (59.5 to 72.8 lb)

    Result: 

    NEXT 

    END (SEPARATE TYPE FRONT SEAT CUSHION SPRING ASSEMBLY [OCCUPANT CLASSIFICATION SENSOR] WAS DEFECTIVE)