LEMON Manuals: Even more car manuals for everyone: 1960-2025
Home >> Toyota >> 2017 >> Sienna LE, AWD >> Repair and Diagnosis >> Electrical >> Body Electrical >> OEM System Circuits >> Automatic Light Control, Light Auto Turn Off System >> System Diagrams
April 5, 2026: LEMON Manuals is launched! Read the announcement.

System Diagrams

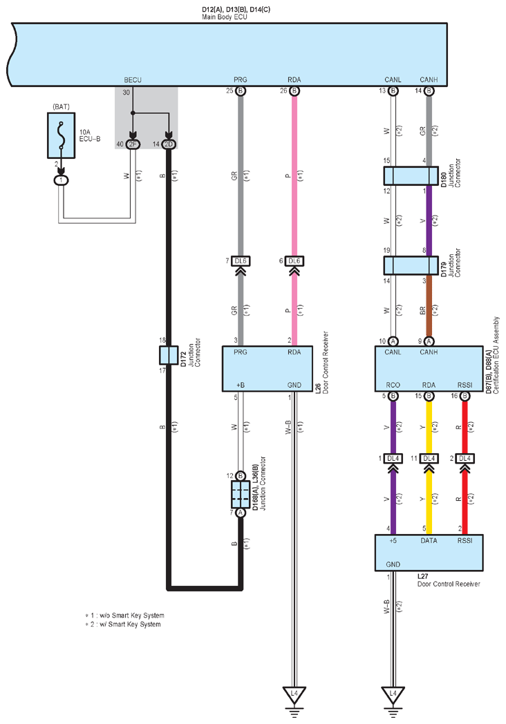
Fig 1: Automatic Light Control, Light Auto Turn Off System (1 Of 5)
G12221250Courtesy of © TOYOTA, LICENSE AGREEMENT TMS1002
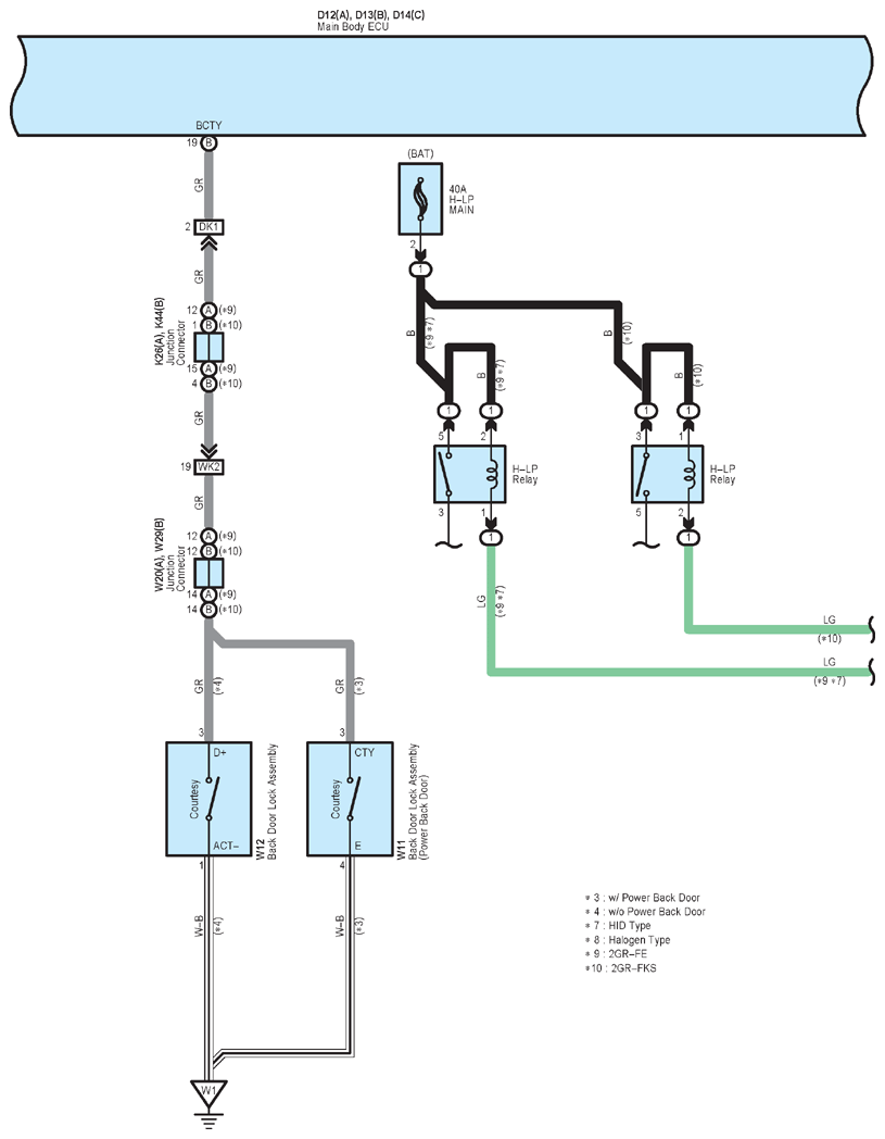
Fig 2: Automatic Light Control, Light Auto Turn Off System (2 Of 5)
G12221251Courtesy of © TOYOTA, LICENSE AGREEMENT TMS1002
Fig 3: Automatic Light Control, Light Auto Turn Off System (3 Of 5)
G12221252Courtesy of © TOYOTA, LICENSE AGREEMENT TMS1002
Fig 4: Automatic Light Control, Light Auto Turn Off System (4 Of 5)
G12221253Courtesy of © TOYOTA, LICENSE AGREEMENT TMS1002
Fig 5: Automatic Light Control, Light Auto Turn Off System (5 Of 5)
G12221254Courtesy of © TOYOTA, LICENSE AGREEMENT TMS1002