LEMON Manuals: Even more car manuals for everyone: 1960-2025
Home >> Toyota >> 2017 >> Sienna LE, AWD >> Repair and Diagnosis >> Electrical >> Body Electrical >> OEM System Circuits >> Engine Immobilizer System (W/O Smart Key System) >> System Diagrams
April 5, 2026: LEMON Manuals is launched! Read the announcement.

System Diagrams

Fig 1: Engine Immobilizer System (W/O Smart Key System) (1 Of 3)
G12221495Courtesy of © TOYOTA, LICENSE AGREEMENT TMS1002
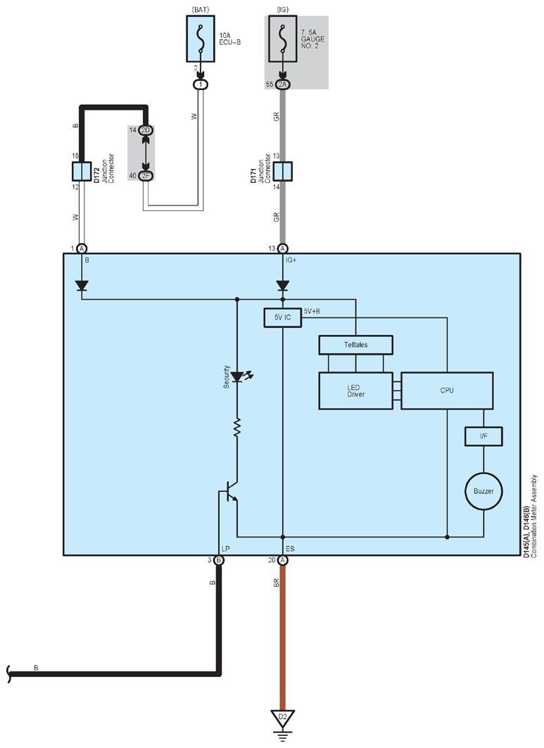
Fig 2: Engine Immobilizer System (W/O Smart Key System) (2 Of 3)
G12221496Courtesy of © TOYOTA, LICENSE AGREEMENT TMS1002
Fig 3: Engine Immobilizer System (W/O Smart Key System) (3 Of 3)
G12221497Courtesy of © TOYOTA, LICENSE AGREEMENT TMS1002