LEMON Manuals: Even more car manuals for everyone: 1960-2025
Home >> Toyota >> 2017 >> Yaris iA Automatic Trans >> Repair and Diagnosis >> Engine Performance >> System >> Engine Control System (System Diagram) >> Control System >> System Diagram >> System Diagram
April 5, 2026: LEMON Manuals is launched! Read the announcement.

System Diagram

  1. CONTROL SYSTEM DIAGRAM 
    Fig 1: Engine Control System Diagram
    GTY488764Courtesy of © TOYOTA, LICENSE AGREEMENT TMS1002
    *a ECT Sensor No. 2 *b Radiator Lower
    *c MAF Sensor/IAT Sensor No. 1 *d TP Sensor No. 1, No. 2
    *e Map Sensor/IAT Sensor No. 2 *f CMP Sensor
    *g ECT Sensor No. 1 *h Fuel Tank Pressure Sensor
    *i Fuel Pressure Sensor *j KS
    *k CKP Sensor *l Oil Pressure Switch
    *m A/F Sensor *n HO2S
    *o APP Sensor No. 1, No. 2, CPP Switch (MTX), Neutral Switch (MTX) *p PCM
    *q BARO Sensor *r To PCM
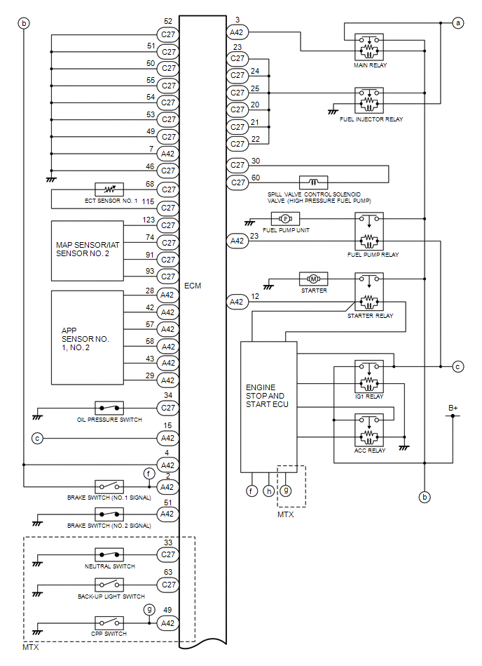
  2. CONTROL SYSTEM WIRING DIAGRAM 
    Fig 2: Engine Control System Wiring Diagram (1 Of 3)
    GTY485322Courtesy of © TOYOTA, LICENSE AGREEMENT TMS1002
    Fig 3: Engine Control System Wiring Diagram (2 Of 3)
    GTY491596Courtesy of © TOYOTA, LICENSE AGREEMENT TMS1002
    Fig 4: Engine Control System Wiring Diagram (3 Of 3)
    GTY484810Courtesy of © TOYOTA, LICENSE AGREEMENT TMS1002