LEMON Manuals: Even more car manuals for everyone: 1960-2025
Home >> Toyota >> 2018 >> 4Runner TRD Pro >> Repair and Diagnosis (Single Page) >> Electrical >> Fuses & Circuit Breakers >> OEM Junction Block, Ecu & Fuse/Relay Locations >> Relay Block Identification >> Engine Room Relay Block Assembly And Engine Room Junction Block Assembly Inner Circuit
April 5, 2026: LEMON Manuals is launched! Read the announcement.

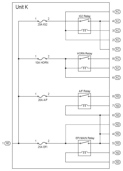
Engine Room Relay Block Assembly And Engine Room Junction Block Assembly Inner Circuit

Fig 1: Engine Room R/B And Engine Room J/B Assembly Relay & Inner Circuit Diagram
G08950105Courtesy of © TOYOTA, LICENSE AGREEMENT TMS1002
ENGINE ROOM R/B AND J/B INNER CIRCUIT RELAY IDENTIFICATION

RELAY DESCRIPTION
IG2 Relay
Horn Relay
A/F Relay
EFI Main Relay