LEMON Manuals: Even more car manuals for everyone: 1960-2025
Home >> Toyota >> 2018 >> 86 Base, Standard Trans >> Repair and Diagnosis (Single Page) >> Accessories & Equipment >> Headlights >> Lighting System (Ext) - Diagnostics - Introduction >> Lighting System >> System Diagram [06/2016 - 03/2017] >> System Diagram [06/2016 - 03/2017]
April 5, 2026: LEMON Manuals is launched! Read the announcement.

System Diagram [06/2016 - 03/2017]

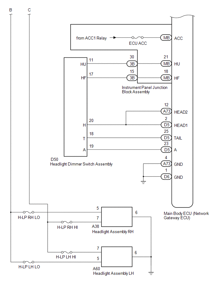
  1. HEADLIGHT 
    Fig 1: Headlight System Wiring Diagram (1 Of 2)
    GTY720305Courtesy of © TOYOTA, LICENSE AGREEMENT TMS1002
    Fig 2: Headlight System Wiring Diagram (2 Of 2)
    GTY721204Courtesy of © TOYOTA, LICENSE AGREEMENT TMS1002
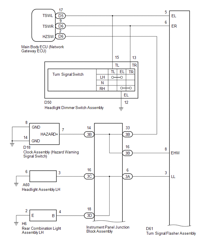
  2. TURN SIGNAL LIGHT 
    Fig 3: Turn Signal Light System Wiring Diagram (1 Of 2)
    GTY732706Courtesy of © TOYOTA, LICENSE AGREEMENT TMS1002
    Fig 4: Turn Signal Light System Wiring Diagram (2 Of 2)
    GTY718749Courtesy of © TOYOTA, LICENSE AGREEMENT TMS1002
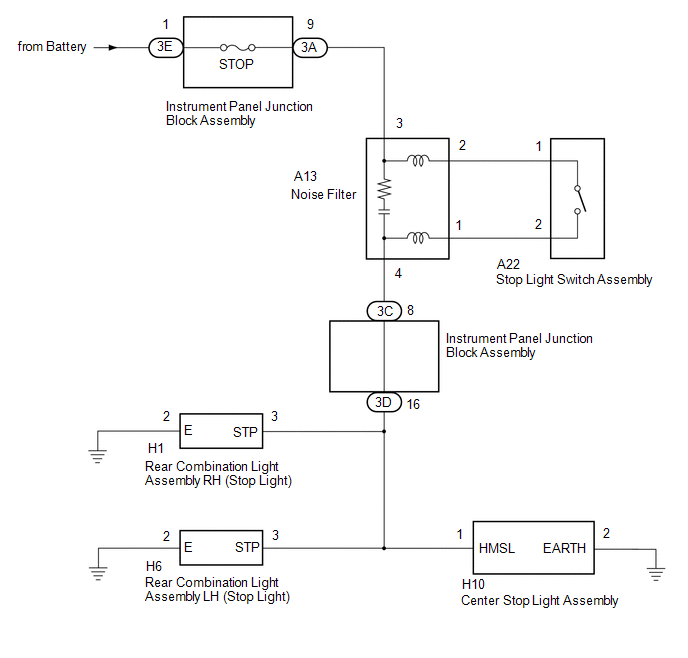
  3. STOP LIGHT 
    Fig 5: Stop Light System Wiring Diagram
    GTY723470Courtesy of © TOYOTA, LICENSE AGREEMENT TMS1002
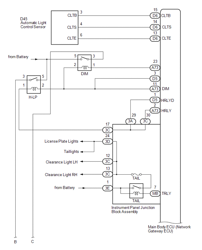
  4. DAYTIME RUNNING LIGHT SYSTEM 
    Fig 6: Daytime Running Light System Wiring Diagram
    GTY736069Courtesy of © TOYOTA, LICENSE AGREEMENT TMS1002