LEMON Manuals: Even more car manuals for everyone: 1960-2025
Home >> Toyota >> 2018 >> Avalon XLE Plus >> Repair and Diagnosis (Single Page) >> Steering >> Steering Control Systems >> Lane Departure Alert System (W/ Steering Control) - Diagnostics - Introduction - (Except Hybrid) >> LANE DEPARTURE ALERT SYSTEM(w/ Steering Control) >> System Diagram [10/2015 - ] >> System Diagram [10/2015 - ]
April 5, 2026: LEMON Manuals is launched! Read the announcement.

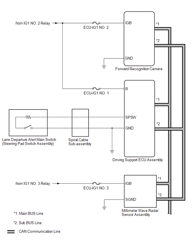
System Diagram [10/2015 - ]

GTY594689Courtesy of © TOYOTA, LICENSE AGREEMENT TMS1002
GTY610442Courtesy of © TOYOTA, LICENSE AGREEMENT TMS1002