LEMON Manuals: Even more car manuals for everyone: 1960-2025
Home >> Toyota >> 2018 >> Camry LE >> Repair and Diagnosis (Single Page) >> Body & Frame >> Door Locks >> Wireless Door Lock Control System (W/ Smart Key System) - Diagnostics - Introduction (Except Hybrid) >> WIRELESS DOOR LOCK CONTROL SYSTEM (W/ Smart Key System) >> System Diagram [03/2017 - ] >> System Diagram [03/2017 - ]
April 5, 2026: LEMON Manuals is launched! Read the announcement.

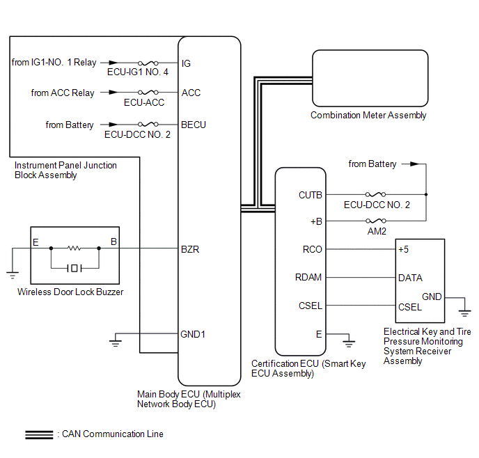
System Diagram [03/2017 - ]

  1. WIRELESS DOOR LOCK CONTROL SYSTEM 
    GTY741682Courtesy of © TOYOTA, LICENSE AGREEMENT TMS1002
  2. POWER DOOR LOCK CONTROL SYSTEM 

    Refer to SYSTEM DIAGRAM [03/2017 - ]