LEMON Manuals: Even more car manuals for everyone: 1960-2025
Home >> Toyota >> 2018 >> Corolla LE >> Repair and Diagnosis (Single Page) >> Restraints >> Restraints Control Systems >> Seat Belt Warning System (W/ Occupant Classification System) - Diagnostics & Symptom Tests (Model Code: ZRE172) >> SEAT BELT WARNING SYSTEM (W/ Occupant Classification System) >> System Diagram [08/2016 - 08/2017] >> System Diagram [08/2016 - 08/2017]
April 5, 2026: LEMON Manuals is launched! Read the announcement.

System Diagram [08/2016 - 08/2017]

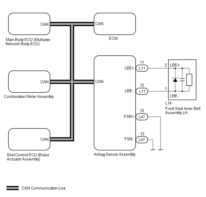
Fig 1: Seat Belt Warning System (W/ Occupant Classification System) Circuit Diagram (1 Of 3)
GTY453860Courtesy of © TOYOTA, LICENSE AGREEMENT TMS1002
Fig 2: Seat Belt Warning System (W/ Occupant Classification System) Circuit Diagram (2 Of 3)
GTY770606Courtesy of © TOYOTA, LICENSE AGREEMENT TMS1002
Fig 3: Seat Belt Warning System (W/ Occupant Classification System) Circuit Diagram (3 Of 3)
GTY756832Courtesy of © TOYOTA, LICENSE AGREEMENT TMS1002
COMMUNICATION TABLE

Sender Receiver Signal Communication Method
Airbag sensor assembly Main body ECU (Multiplex network body ECU) Front seat inner belt assembly LH buckle switch CAN
Main body ECU (Multiplex network body ECU) Combination meter assembly
  • Front seat inner belt assembly LH buckle switch
  • Parking brake switch
Skid control ECU (Brake actuator assembly) Combination meter assembly Vehicle speed
ECM Combination meter assembly
  • Gear position*1
  • Shift position*2