LEMON Manuals: Even more car manuals for everyone: 1960-2025
Home >> Toyota >> 2018 >> Corolla LE >> Repair and Diagnosis (Single Page) >> Restraints >> Restraints Control Systems >> Seat Belt Warning System (W/ Occupant Classification System) - Diagnostics & Symptom Tests (Model Code: ZRE172) >> SEAT BELT WARNING SYSTEM (W/ Occupant Classification System) >> System Diagram [08/2017 - ] >> System Diagram [08/2017 - ]
April 5, 2026: LEMON Manuals is launched! Read the announcement.

System Diagram [08/2017 - ]

  1. FRONT SEAT BELT WARNING 
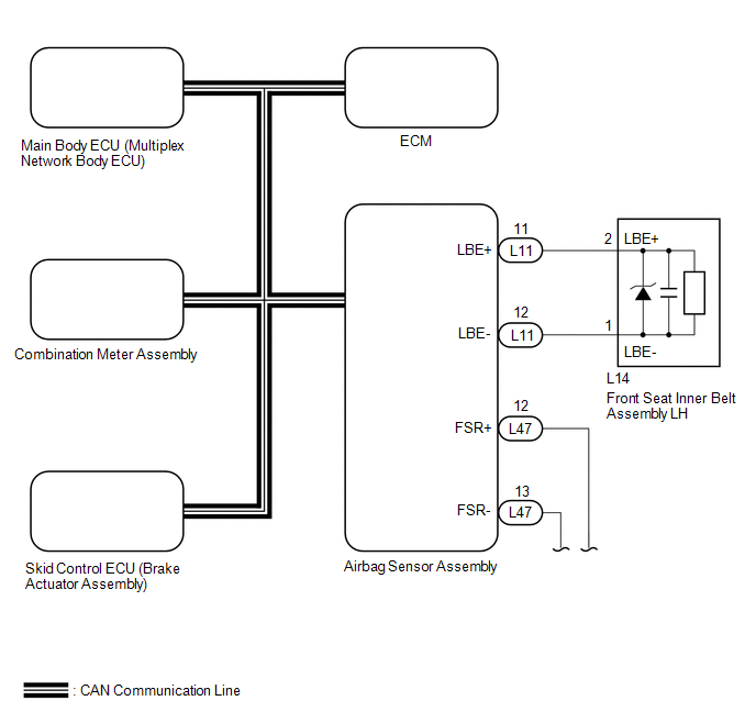
    Fig 1: Front Seat Belt Warning Circuit Diagram (1 Of 3)
    GTY744196Courtesy of © TOYOTA, LICENSE AGREEMENT TMS1002
    Fig 2: Front Seat Belt Warning Circuit Diagram (2 Of 3)
    GTY770606Courtesy of © TOYOTA, LICENSE AGREEMENT TMS1002
    Fig 3: Front Seat Belt Warning Circuit Diagram (3 Of 3)
    GTY756833Courtesy of © TOYOTA, LICENSE AGREEMENT TMS1002
    COMMUNICATION TABLE

    Sender Receiver Signal Communication Method
    Airbag sensor assembly Main body ECU (Multiplex network body ECU) Front seat inner belt assembly LH buckle switch CAN
    Combination meter assembly
    • Front seat inner belt assembly RH buckle switch
    • Occupant detection
    Main body ECU (Multiplex network body ECU) Combination meter assembly
    • Front seat inner belt assembly LH buckle switch
    • Parking brake switch
    Skid control ECU (Brake actuator assembly) Combination meter assembly Vehicle speed
    ECM Combination meter assembly
    • Gear position*1
    • Shift position*2
    • *1: for Manual Transaxle
    • *2: except Manual Transaxle
  2. REAR SEAT BELT WARNING (w/ Rear Seat Belt Warning) 
    Fig 4: Rear Seat Belt Warning (W/ Rear Seat Belt Warning) Circuit Diagram
    GTY767339Courtesy of © TOYOTA, LICENSE AGREEMENT TMS1002
    COMMUNICATION TABLE

    Sender Receiver Signal Communication Method
    Main body ECU (Multiplex network body ECU) Combination meter assembly Rear door courtesy light switch signal (LH/RH) CAN