LEMON Manuals: Even more car manuals for everyone: 1960-2025
Home >> Toyota >> 2018 >> Prius Prime Advanced >> Repair and Diagnosis (Single Page) >> Engine Performance >> Engine Control Systems >> Plug-In Charge Control System - Diagnostics - Introduction >> Plug-In Charge Control System >> System Diagram [09/2016 - ] >> System Diagram [09/2016 - ]
April 5, 2026: LEMON Manuals is launched! Read the announcement.

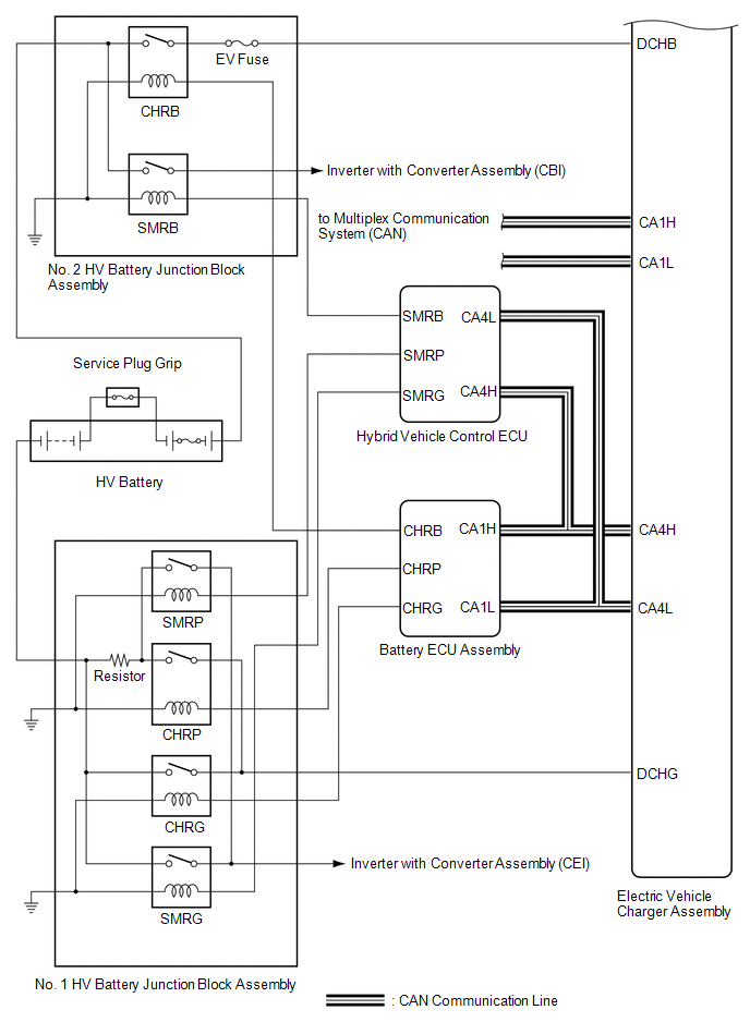
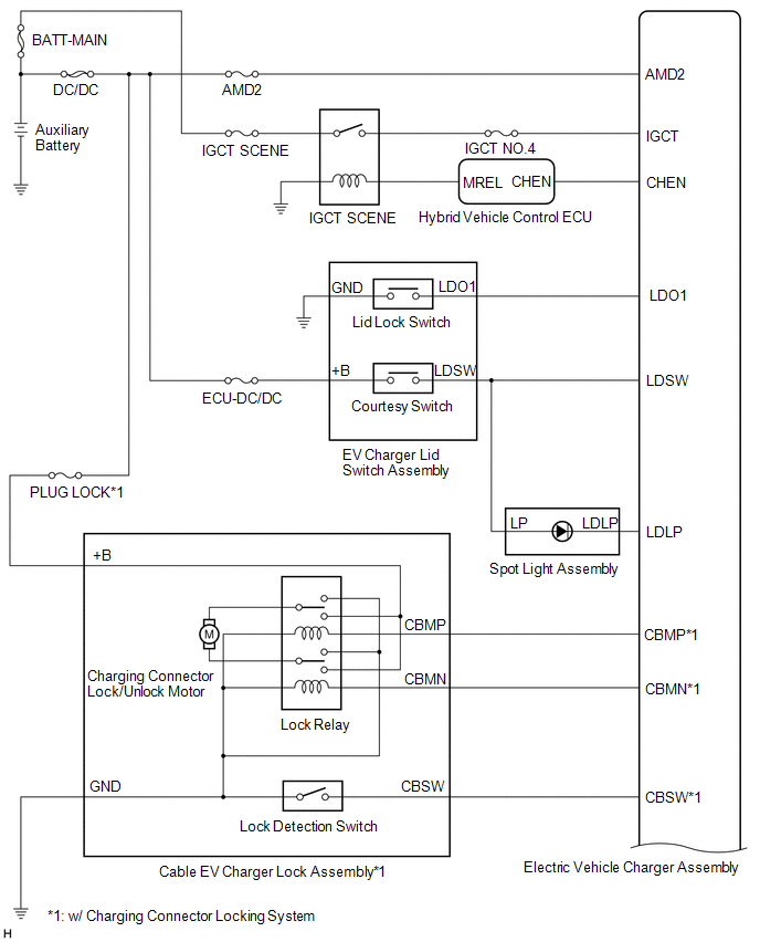
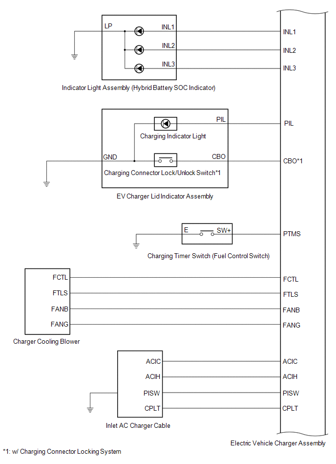
System Diagram [09/2016 - ]

GTY733120Courtesy of © TOYOTA, LICENSE AGREEMENT TMS1002
GTY696902Courtesy of © TOYOTA, LICENSE AGREEMENT TMS1002
GTY693456Courtesy of © TOYOTA, LICENSE AGREEMENT TMS1002