LEMON Manuals: Even more car manuals for everyone: 1960-2025
Home >> Toyota >> 2018 >> Prius Prime Advanced >> Repair and Diagnosis (Single Page) >> Engine Performance >> System >> Engine Control System - Diagnostics - Introduction (1 Of 3) >> SFI System >> System Diagram [09/2016 - 05/2019] >> System Diagram [09/2016 - 05/2019]
April 5, 2026: LEMON Manuals is launched! Read the announcement.

System Diagram [09/2016 - 05/2019]

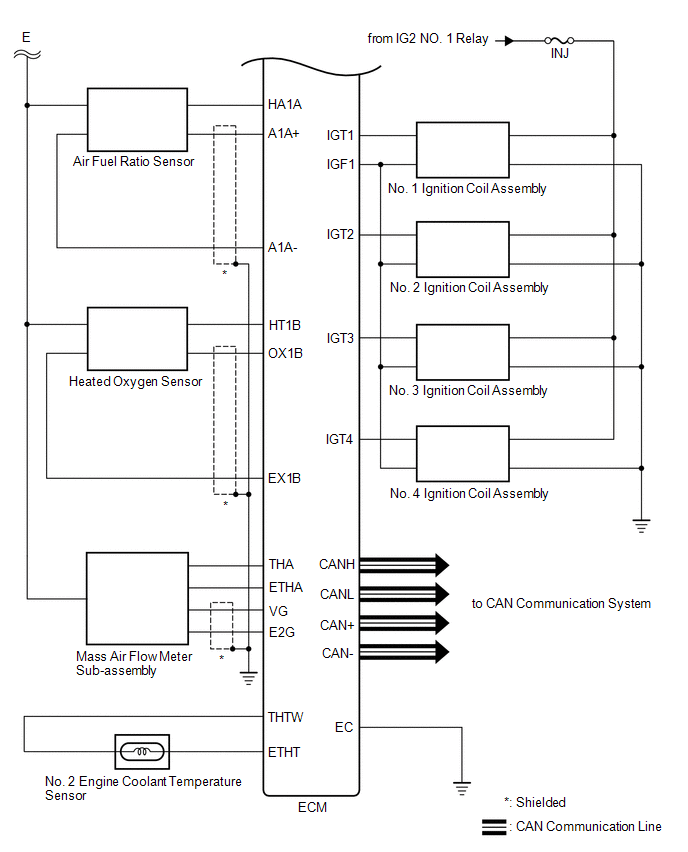
Fig 1: SFI System Diagram [09/2016 - 05/2019] (1 Of 4)
GTY688613Courtesy of © TOYOTA, LICENSE AGREEMENT TMS1002
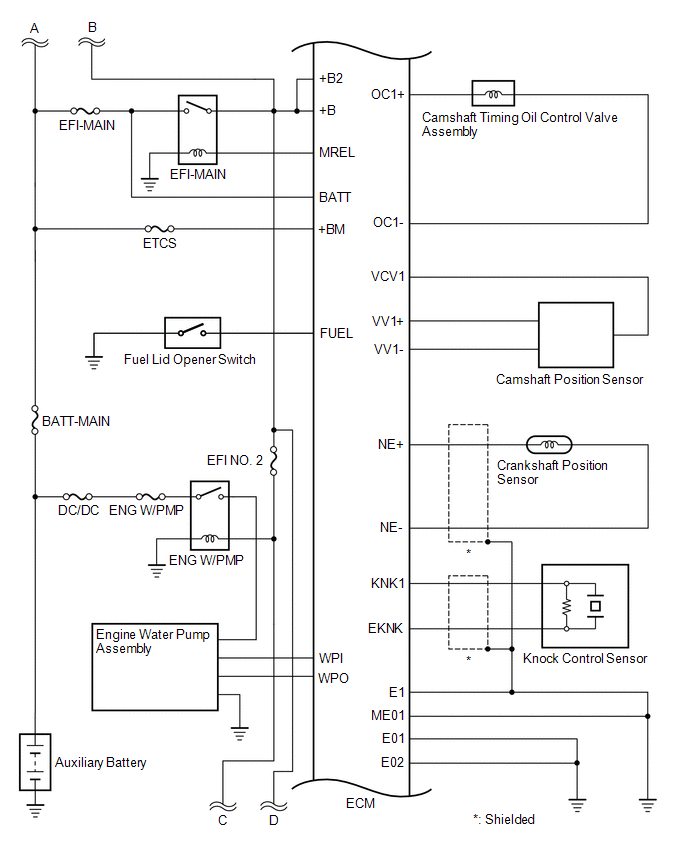
Fig 2: SFI System Diagram [09/2016 - 05/2019] (2 Of 4)
GTY697089Courtesy of © TOYOTA, LICENSE AGREEMENT TMS1002
Fig 3: SFI System Diagram [09/2016 - 05/2019] (3 Of 4)
GTY703538Courtesy of © TOYOTA, LICENSE AGREEMENT TMS1002
Fig 4: SFI System Diagram [09/2016 - 05/2019] (4 Of 4)
GTY707817Courtesy of © TOYOTA, LICENSE AGREEMENT TMS1002