LEMON Manuals: Even more car manuals for everyone: 1960-2025
Home >> Toyota >> 2019 >> 86 Base, Standard Trans >> Repair and Diagnosis (Single Page) >> Accessories & Equipment >> Anti-Theft Systems >> Wireless Door Lock Control System (W/ Smart Key) - Diagnostics - Introduction >> WIRELESS DOOR LOCK CONTROL SYSTEM (w/ Smart Key System) >> System Diagram [03/2017 - ] >> System Diagram [03/2017 - ]
April 5, 2026: LEMON Manuals is launched! Read the announcement.

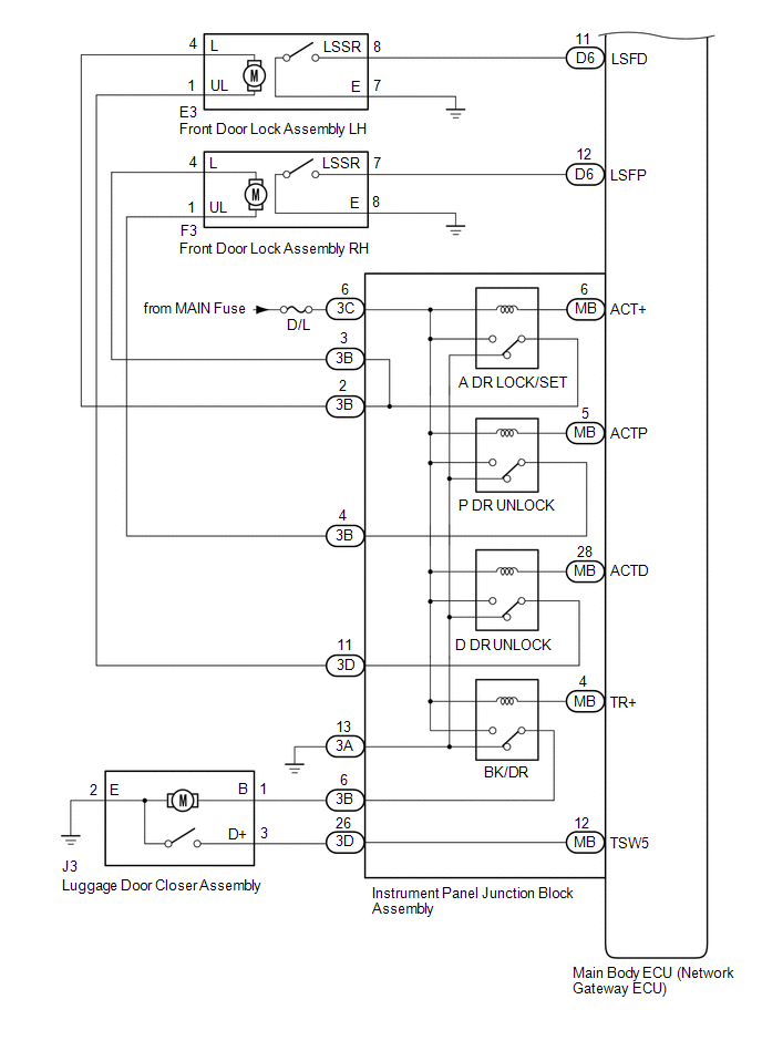
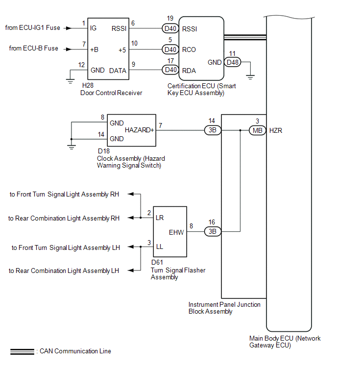
System Diagram [03/2017 - ]

GTY688348Courtesy of © TOYOTA, LICENSE AGREEMENT TMS1002
GTY736063Courtesy of © TOYOTA, LICENSE AGREEMENT TMS1002
GTY392118Courtesy of © TOYOTA, LICENSE AGREEMENT TMS1002
COMMUNICATION TABLE

Transmitting ECU (Transmitter) Receiving ECU (Receiver) Signal Line
Certification ECU (smart key ECU assembly) Main body ECU (network gateway ECU) Wireless door lock signal CAN
Main body ECU (network gateway ECU) Combination meter assembly Hazard warning signal CAN