LEMON Manuals: Even more car manuals for everyone: 1960-2025
Home >> Toyota >> 2019 >> Camry LE >> Repair and Diagnosis (Single Page) >> Engine Performance >> System >> Engine Control System (A25A-FKS) - Diagnostic Codes (08 Of 17) (Except Hybrid) >> SFI System >> DTC P0403-18: Exhaust Gas Recirculation "A" Circuit Current Below Threshold; DTC P0403-19: Exhaust Gas Recirculation "A" Circuit Current Above Threshold; DTC P1400-18: Exhaust Gas Recirculation "A" Control Circuit 2 Circuit Current Below Threshold; DTC P1400-19: Exhaust Gas Recirculation "A" Control Circuit 2 Circuit Current Above Threshold [06/2017 - 08/2018] >> Wiring Diagram
April 5, 2026: LEMON Manuals is launched! Read the announcement.

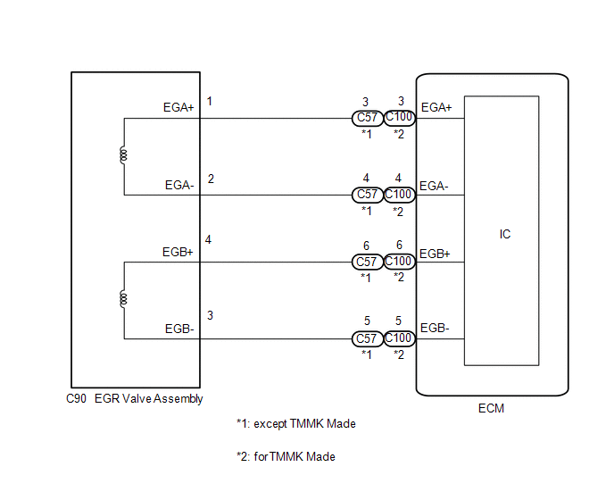
DTC P0403-18: Exhaust Gas Recirculation "A" Circuit Current Below Threshold; DTC P0403-19: Exhaust Gas Recirculation "A" Circuit Current Above Threshold; DTC P1400-18: Exhaust Gas Recirculation "A" Control Circuit 2 Circuit Current Below Threshold; DTC P1400-19: Exhaust Gas Recirculation "A" Control Circuit 2 Circuit Current Above Threshold [06/2017 - 08/2018]: Wiring Diagram

GTY765928Courtesy of © TOYOTA, LICENSE AGREEMENT TMS1002