LEMON Manuals: Even more car manuals for everyone: 1960-2025
Home >> Toyota >> 2019 >> Corolla LE >> Repair and Diagnosis (Single Page) >> Electrical >> Fuses & Circuit Breakers >> OEM Junction Block, Ecu & Fuse/Relay Locations (Model Code: ZRE172) >> Junction Block Fuse, Relay & Circuit Identification >> Driver Side Junction Block Assembly Inner Circuit
April 5, 2026: LEMON Manuals is launched! Read the announcement.

Driver Side Junction Block Assembly Inner Circuit

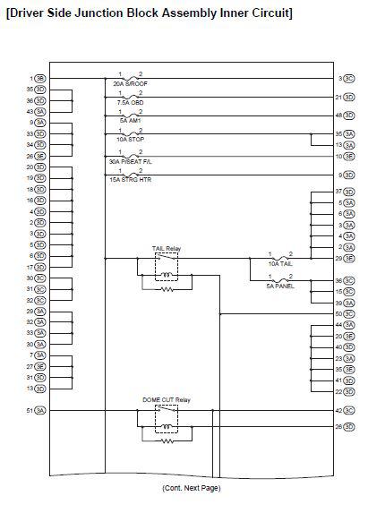
Fig 1: Driver Side Junction Block Assembly Inner Circuit Diagram (1 Of 5)
G00405994Courtesy of © TOYOTA, LICENSE AGREEMENT TMS1002
DRIVER SIDE JUNCTION BLOCK ASSEMBLY INNER CIRCUIT RELAY IDENTIFICATION

RELAY DESCRIPTION
TAIL Relay
DOME CUT Relay
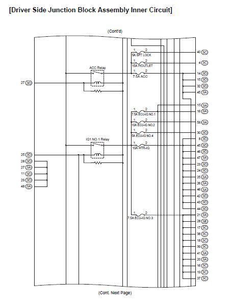
Fig 2: Driver Side Junction Block Assembly Inner Circuit Diagram (2 Of 5)
G00405995Courtesy of © TOYOTA, LICENSE AGREEMENT TMS1002
DRIVER SIDE JUNCTION BLOCK ASSEMBLY INNER CIRCUIT RELAY IDENTIFICATION

RELAY DESCRIPTION
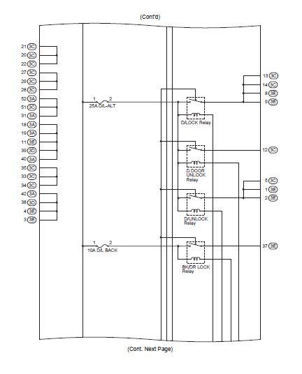
D/LOCK Relay
D DOOR UNLOCK Relay
D/UNLOCK Relay
BK/DR LOCK Relay
Fig 3: Driver Side Junction Block Assembly Inner Circuit Diagram (3 Of 5)
G00405996Courtesy of © TOYOTA, LICENSE AGREEMENT TMS1002
DRIVER SIDE JUNCTION BLOCK ASSEMBLY INNER CIRCUIT RELAY IDENTIFICATION

RELAY DESCRIPTION
ACC Relay
IG1 NO. 1 Relay
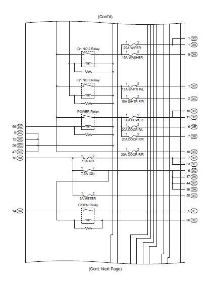
Fig 4: Driver Side Junction Block Assembly Inner Circuit Diagram (4 Of 5)
G00405997Courtesy of © TOYOTA, LICENSE AGREEMENT TMS1002
DRIVER SIDE JUNCTION BLOCK ASSEMBLY INNER CIRCUIT RELAY IDENTIFICATION

RELAY DESCRIPTION
IG1 NO. 2 Relay
IG1 NO. 3 Relay
POWER Relay
C/OPN Relay
Fig 5: Driver Side Junction Block Assembly Inner Circuit Diagram (5 Of 5)
G00405998Courtesy of © TOYOTA, LICENSE AGREEMENT TMS1002