LEMON Manuals: Even more car manuals for everyone: 1960-2025
Home >> Toyota >> 2019 >> Corolla LE >> Repair and Diagnosis (Single Page) >> Engine Performance >> System >> Engine Control System (2ZR-FE) - Diagnostics - Introduction (Model Code: ZRE172) >> SFI System >> DTC Check / Clear [08/2013 - ] >> DTC Check / Clear [08/2013 - ]
April 5, 2026: LEMON Manuals is launched! Read the announcement.

DTC Check / Clear [08/2013 - ]

NOTE:

When the diagnosis system is changed from normal mode to check mode or vice versa, all DTCs and freeze frame data recorded in normal mode are cleared. Before changing modes, always check and make a note of DTCs and freeze frame data.

HINT: 

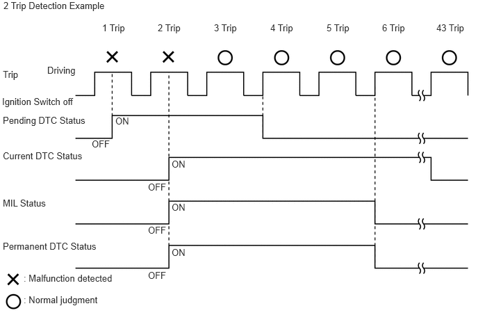
2 TRIP DETECTION EXAMPLES

Pending DTC Store condition Malfunction detected
Clear condition System determined to be normal
or
DTCs cleared using Techstream
or
Cable disconnected from negative (-) battery terminal
Current DTC Store condition Malfunction detected (2nd trip)
Clear condition No malfunctions in 40 driving cycles
or
DTCs cleared using Techstream
or
Cable disconnected from negative (-) battery terminal
Permanent DTC Store condition Malfunction detected (2nd trip)
Clear condition Ignition switch turned to ON after normal judgment obtained in 3 consecutive driving cycles
or
After DTCs cleared using Techstream or cable disconnected from negative (-) battery terminal, normal judgment obtained and universal trip performed (not for misfire and fuel system DTCs)
or
After DTCs cleared using Techstream or cable disconnected from negative (-) battery terminal, malfunction not detected when universal trip driving performed (misfire and fuel system DTCs)
MIL ON Malfunction detected (2nd trip)
OFF Ignition switch turned to ON after normal judgment obtained in 3 consecutive driving cycles
or
DTCs cleared using Techstream
or
Cable disconnected from negative (-) battery terminal
GTY433502Courtesy of © TOYOTA, LICENSE AGREEMENT TMS1002
GTY453216Courtesy of © TOYOTA, LICENSE AGREEMENT TMS1002

HINT: 

  1. CHECK DTC 
    1. Connect the Techstream to the DLC3.
    2. Turn the ignition switch to ON.
    3. Turn the Techstream on.
    4. Enter the following menus: Powertrain / Engine and ECT / Trouble Codes.
    5. Check the DTC(s) and freeze frame data, and then write them down.
    6. Check the details of the DTC(s).

      Refer to DIAGNOSTIC TROUBLE CODE CHART [08/2013 - 08/2014] Refer to DIAGNOSTIC TROUBLE CODE CHART [08/2014 - 08/2015] Refer to DIAGNOSTIC TROUBLE CODE CHART [08/2015 - 08/2016] Refer to DIAGNOSTIC TROUBLE CODE CHART [08/2016 - ]

      Powertrain > Engine and ECT > Trouble Codes 

  2. CLEAR DTC (Pending and Current DTC) 
    1. Connect the Techstream to the DLC3.
    2. Turn the ignition switch to ON.
    3. Turn the Techstream on.
    4. Enter the following menus: Powertrain / Engine and ECT / Trouble Codes.
    5. Clear the DTCs.

      Powertrain > Engine and ECT > Clear DTCs 

  3. CLEAR DTC (Pending and Current DTC without using Techstream) 
    1. Perform either of the following operations:
      NOTE:

      After turning ignition switch off, waiting time may be required before disconnecting the cable from the negative (-) battery terminal. Therefore, make sure to read the disconnecting the cable from the negative (-) battery terminal notices before proceeding with work.

      Refer to PRECAUTION [08/2013 - 08/2015] Refer to PRECAUTION [08/2015 - 08/2016] Refer to PRECAUTION [08/2016 - ]

      1. Disconnect the cable from the negative (-) battery terminal for more than 1 minute.
      2. Remove the EFI-MAIN and ETCS fuses from the engine room relay block and junction block assembly located inside the engine compartment for more than 1 minute.
  4. CLEAR PERMANENT DTC 

    HINT: 

    Even if the following procedure is not performed, permanent DTCs are cleared by obtaining a normal judgment during 3 consecutive driving cycles.

    GTY392396Courtesy of © TOYOTA, LICENSE AGREEMENT TMS1002
    1. Connect the Techstream to the DLC3.
    2. Turn the ignition switch to ON.
    3. Turn the Techstream on.
    4. Enter the following menus: Powertrain / Engine and ECT / Trouble Codes.
    5. Check if permanent DTCs are stored.

      Powertrain > Engine and ECT > Trouble Codes 

      HINT: 

      If permanent DTCs are not output, it is not necessary to continue this procedure.

    6. Clear the DTCs.

      Powertrain > Engine and ECT > Clear DTCs 

    7. Perform the respective confirmation driving patterns in order to obtain a normal judgment for the output DTCs.

      HINT: 

    8. Perform the universal trip.

      HINT: 

      The driving pattern to obtain a normal judgment and the universal trip driving can be performed consecutively in the same driving cycle.

      1. Idle the engine for 30 seconds or more.
      2. Drive the vehicle at 40 km/h (25 mph) or more for a total of 5 minutes or more.
        WARNING:

        When performing the confirmation driving pattern, obey all speed limits and traffic laws.

        HINT: 

        It is possible to complete the drive pattern even if the vehicle decelerates to less than 40 km/h (25 mph) during the driving cycle provided that the vehicle is driven at 40 km/h (25 mph) or more for a total of 5 minutes.

      3. Allow 10 minutes or more to elapse from the time the engine is started.
    9. Enter the following menus: Powertrain / Engine and ECT / Trouble Codes.
    10. Check that the permanent DTCs have been cleared.

      Powertrain > Engine and ECT > Trouble Codes 

      HINT: 

      The permanent DTCs are cleared when the universal trip is completed.