LEMON Manuals: Even more car manuals for everyone: 1960-2025
Home >> Toyota >> 2019 >> Corolla XSE, 4D Hatchback, Standard Trans >> Repair and Diagnosis >> External Pages >> Different variant/trim >> Section 12 (Vehicle Stability Control System - Diagnostics - Introduction (1 Of 2) (Model Code: ZRE172)) >> Vehicle Stability Control System >> System Diagram [08/2015 - 08/2016] >> System Diagram [08/2015 - 08/2016]
April 5, 2026: LEMON Manuals is launched! Read the announcement.

System Diagram [08/2015 - 08/2016]

WARNING: This page is about a different variant/trim than selected.
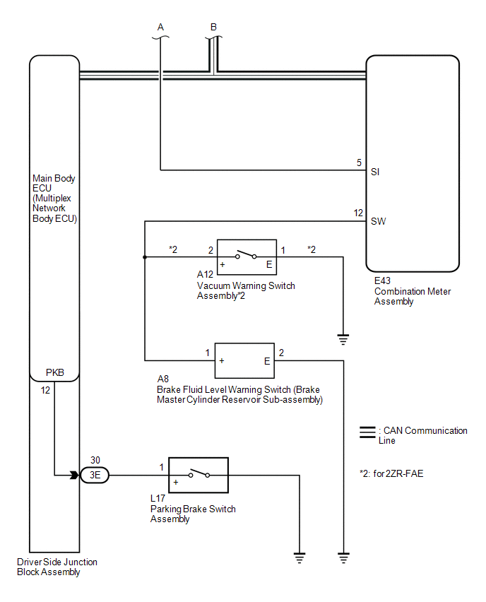
Fig 1: Vehicle Stability Control System Circuit Diagram (1 Of 4)
GTY559424Courtesy of © TOYOTA, LICENSE AGREEMENT TMS1002
Fig 2: Vehicle Stability Control System Circuit Diagram (2 Of 4)
GTY594663Courtesy of © TOYOTA, LICENSE AGREEMENT TMS1002
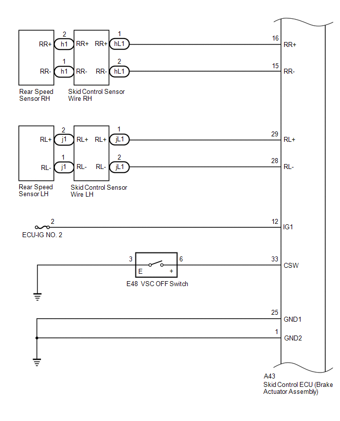
Fig 3: Vehicle Stability Control System Circuit Diagram (3 Of 4)
GTY565455Courtesy of © TOYOTA, LICENSE AGREEMENT TMS1002
Fig 4: Vehicle Stability Control System Circuit Diagram (4 Of 4)
GTY579582Courtesy of © TOYOTA, LICENSE AGREEMENT TMS1002
Transmitting ECU (Transmitter) Receiving ECU Signal Communication Method
Skid control ECU (Brake actuator assembly) Steering angle sensor Steering angle sensor request signal CAN communication line
Steering angle sensor Skid control ECU (Brake actuator assembly) Steering angle sensor signal CAN communication line
Skid control ECU (Brake actuator assembly) Yaw rate and acceleration sensor (Airbag sensor assembly) Yaw rate and acceleration request signal CAN communication line
Yaw rate and acceleration sensor (Airbag sensor assembly) Skid control ECU (Brake actuator assembly) Yaw rate and acceleration signal CAN communication line
Skid control ECU (Brake actuator assembly) ECM
  • Wheel speed signal
  • VSC data signal
CAN communication line
ECM Skid control ECU (Brake actuator assembly)
  • Shift position signal
  • Throttle position signal
  • Engine speed signal
  • Diagnosis (TC terminal) signal
CAN communication line
Skid control ECU (Brake actuator assembly) Power steering ECU assembly VSC data signal CAN communication line
Power steering ECU assembly Skid control ECU (Brake actuator assembly) Sensor check (TS terminal) signal CAN communication line
Main body ECU (Multiplex network body ECU) Skid control ECU (Brake actuator assembly) Parking brake switch signal CAN communication line
Skid control ECU (Brake actuator assembly) Combination meter assembly
  • ABS warning light signal
  • Brake warning light signal
  • TRAC OFF indicator light signal
  • VSC OFF indicator light signal
  • Slip indicator light signal
  • Wheel speed signal
CAN communication line