LEMON Manuals: Even more car manuals for everyone: 1960-2025
Home >> Toyota >> 2019 >> Prius LE AWD-e >> Repair and Diagnosis (Single Page) >> Engine Performance >> System >> Engine Control System - Diagnostics - Introduction (1 Of 4) >> SFI System >> System Diagram [11/2015 - 08/2019] >> System Diagram [11/2015 - 08/2019]
April 5, 2026: LEMON Manuals is launched! Read the announcement.

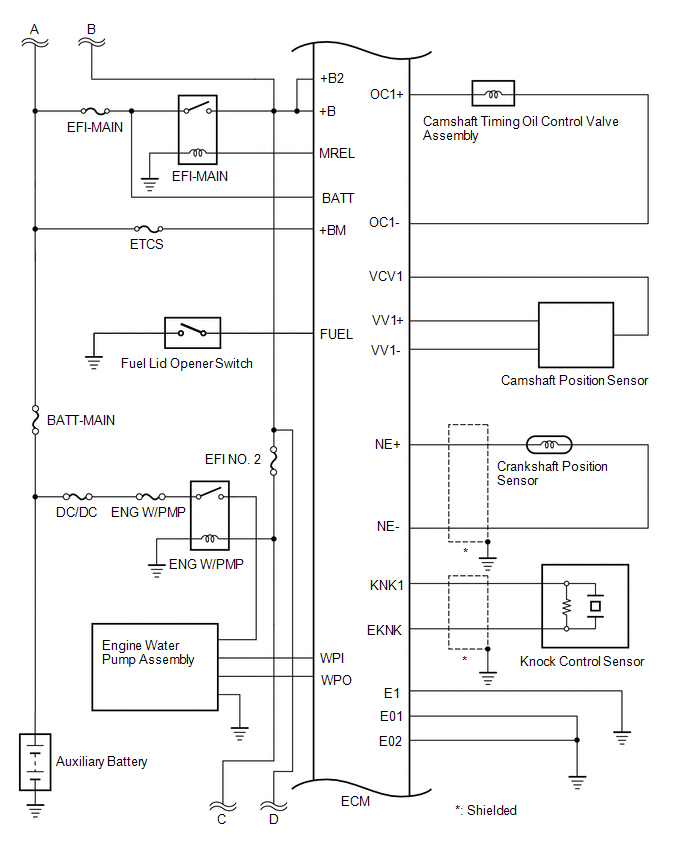
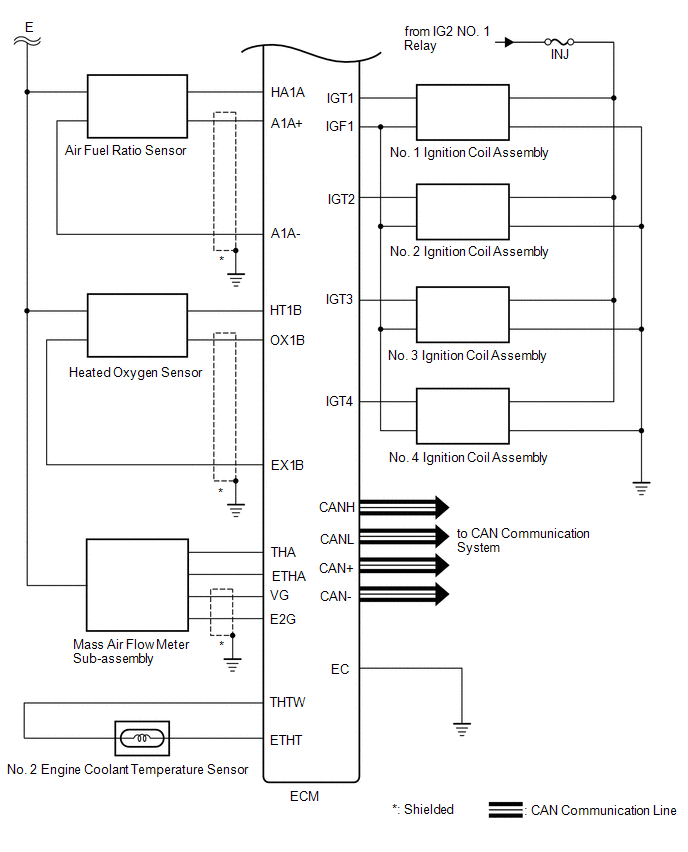
System Diagram [11/2015 - 08/2019]

GTY702368Courtesy of © TOYOTA, LICENSE AGREEMENT TMS1002
GTY596533Courtesy of © TOYOTA, LICENSE AGREEMENT TMS1002
GTY719951Courtesy of © TOYOTA, LICENSE AGREEMENT TMS1002
GTY551362Courtesy of © TOYOTA, LICENSE AGREEMENT TMS1002