LEMON Manuals: Even more car manuals for everyone: 1960-2025
Home >> Toyota >> 2019 >> Prius Prime Advanced >> Repair and Diagnosis >> Engine Mechanical >> Starter >> Smart Key System (Keyless Start) - Diagnostics - Introduction >> SMART KEY SYSTEM (for Start Function) >> System Diagram [09/2016 - ] >> System Diagram [09/2016 - ]
April 5, 2026: LEMON Manuals is launched! Read the announcement.

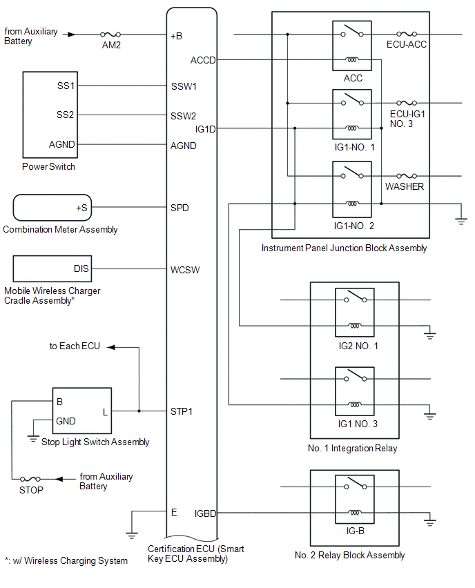
System Diagram [09/2016 - ]

GTY706913Courtesy of © TOYOTA, LICENSE AGREEMENT TMS1002
GTY740144Courtesy of © TOYOTA, LICENSE AGREEMENT TMS1002
GTY727993Courtesy of © TOYOTA, LICENSE AGREEMENT TMS1002
Component Outline
Power switch
  • Transponder key amplifier
  • Turns on the power and starts the hybrid control system.
  • Contains a built-in transponder key amplifier to start the hybrid control system when the electrical key transmitter sub-assembly does not operate properly due to a depleted transmitter battery or wave interference.
Certification ECU (smart key ECU assembly)
  • Changes the power source mode in 4 stages (off, on (ACC), on (IG), on (READY)) in accordance with the shift state and stop light switch.
  • Controls the push-button start function in accordance with signals received from switches and ECUs.
  • On receiving a parking lock mechanism unlock completion signal from the hybrid vehicle control ECU, permits the hybrid control system to start.
  • Performs key verification.
  • Controls each electrical key antenna (outside), electrical key antenna (indoor) and door lock/unlock sensor.
  • Outputs parking lock mechanism lock/unlock command signals.
  • Outputs immobilizer set/unset commands.
  • Forms the smart key system detection area.
ID code box (immobilizer code ECU)
  • Receives command signals from the certification ECU (smart key ECU assembly) and outputs immobilizer set and unset command signals to hybrid vehicle control ECU.
  • Records codes for smart verification.
Hybrid vehicle control ECU
  • Receives command signals from the certification ECU (smart key ECU assembly) and activates the parking lock mechanism.
  • Records codes for smart verification.
Combination meter assembly
  • Displays various warnings (messages on the main display or multi-information display) according to the command signals from the certification ECU (smart key ECU assembly).
  • Outputs a vehicle speed signal to the ECUs.
IG, ACC relay Turns on/off according to the certification ECU (smart key ECU assembly) and provides power to each system.
Stop light switch assembly Detects when the brake pedal is depressed (switch is on) and outputs a signal to the certification ECU (smart key ECU assembly).
  • No. 1 indoor electrical key antenna assembly (front floor)
  • No. 2 indoor electrical key antenna assembly (rear floor)
  • No. 3 indoor electrical key antenna assembly (inside luggage compartment)
Sends the request code from the certification ECU (smart key ECU assembly) and forms the vehicle interior detection area.
Electrical key transmitter sub-assembly Sends an ID code upon receiving a request signal.