LEMON Manuals: Even more car manuals for everyone: 1960-2025
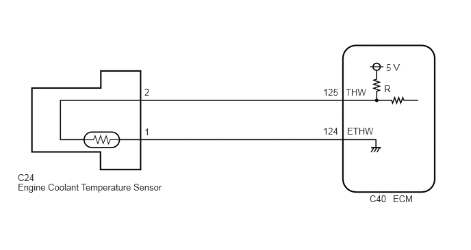
Home >> Toyota >> 2019 >> RAV4 LE, AWD >> Repair and Diagnosis >> Engine Performance >> System >> Engine Control System (A25A-FKS) (W/ Canister Pump Module) - Diagnostic Codes (2 Of 7) >> SFI SYSTEM (w/ Canister Pump Module) >> DTC P0115-11: Engine Coolant Temperature Sensor 1 Circuit Short to Ground [11/2018 - 08/2020] >> Wiring Diagram
April 5, 2026: LEMON Manuals is launched! Read the announcement.

DTC P0115-11: Engine Coolant Temperature Sensor 1 Circuit Short to Ground [11/2018 - 08/2020]: Wiring Diagram

GTY876968Courtesy of © TOYOTA, LICENSE AGREEMENT TMS1002