LEMON Manuals: Even more car manuals for everyone: 1960-2025
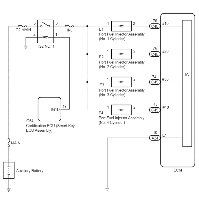
Home >> Toyota >> 2019 >> RAV4 LE, FWD >> Repair and Diagnosis >> External Pages >> Different variant/trim >> Section 129 (Engine Control System (A25A-FXS) (W/O Canister Pump Module) - Diagnostic Codes (3 Of 4)) >> SFI SYSTEM (w/o Canister Pump Module) >> DTC P21CF-13: Cylinder 1 Injector "B" Circuit Open; DTC P21D0-13: Cylinder 2 Injector "B" Circuit Open; DTC P21D1-13: Cylinder 3 Injector "B" Circuit Open; DTC P21D2-13: Cylinder 4 Injector "B" Circuit Open [11/2018 - 08/2020] >> Wiring Diagram
April 5, 2026: LEMON Manuals is launched! Read the announcement.

DTC P21CF-13: Cylinder 1 Injector "B" Circuit Open; DTC P21D0-13: Cylinder 2 Injector "B" Circuit Open; DTC P21D1-13: Cylinder 3 Injector "B" Circuit Open; DTC P21D2-13: Cylinder 4 Injector "B" Circuit Open [11/2018 - 08/2020]: Wiring Diagram

WARNING: This page is about a different variant/trim than selected.
GTY918495Courtesy of © TOYOTA, LICENSE AGREEMENT TMS1002