LEMON Manuals: Even more car manuals for everyone: 1960-2025
Home >> Toyota >> 2019 >> RAV4 XLE, AWD >> Repair and Diagnosis (Single Page) >> Accessories & Equipment >> Wiper/Washer Systems >> Wiper System / Washer System - Diagnostics - Introduction >> Wiper And Washer System >> System Diagram [11/2018 - 08/2020] >> System Diagram [11/2018 - 08/2020]
April 5, 2026: LEMON Manuals is launched! Read the announcement.

System Diagram [11/2018 - 08/2020]

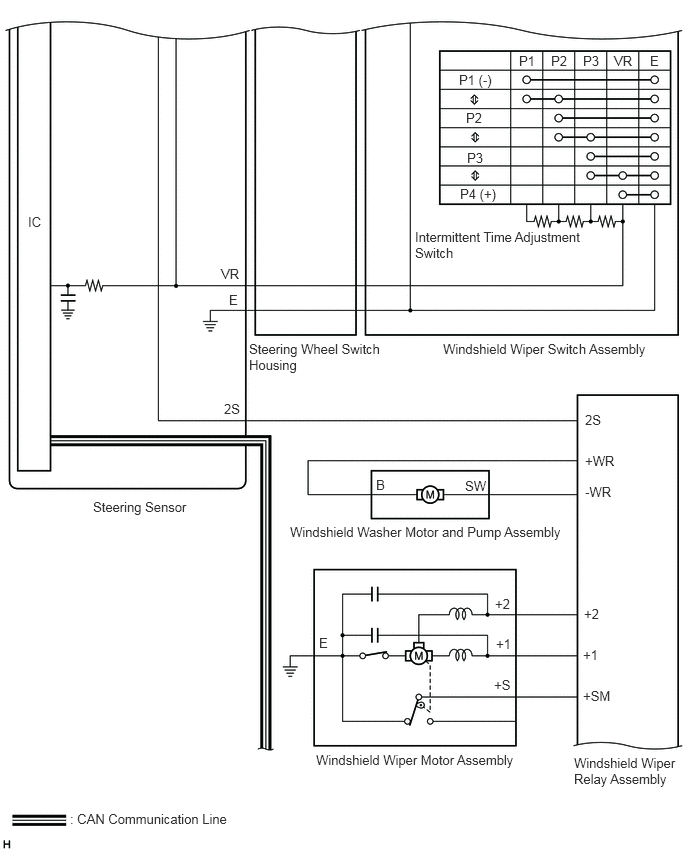
  1. FRONT WIPER AND WASHER SYSTEM 
    GTY903198Courtesy of © TOYOTA, LICENSE AGREEMENT TMS1002
    GTY896025Courtesy of © TOYOTA, LICENSE AGREEMENT TMS1002
    GTY942590Courtesy of © TOYOTA, LICENSE AGREEMENT TMS1002
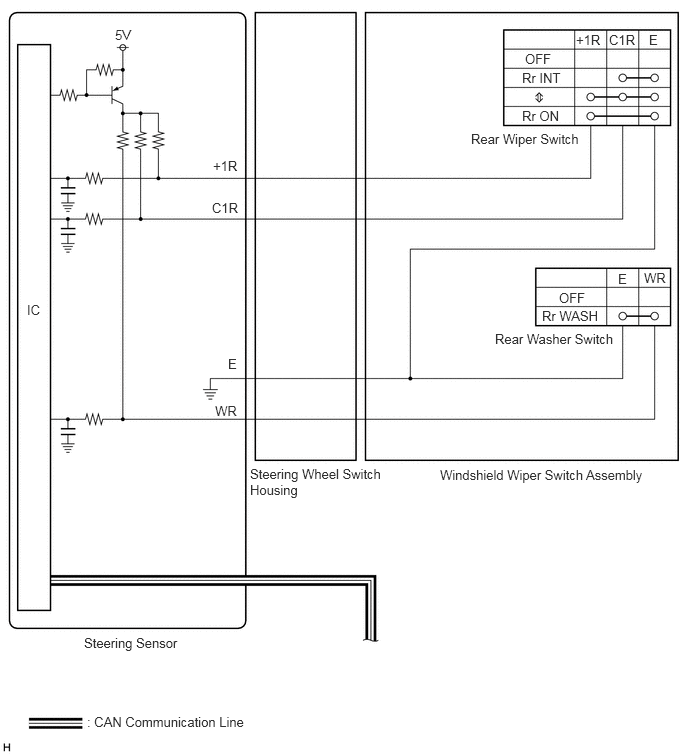
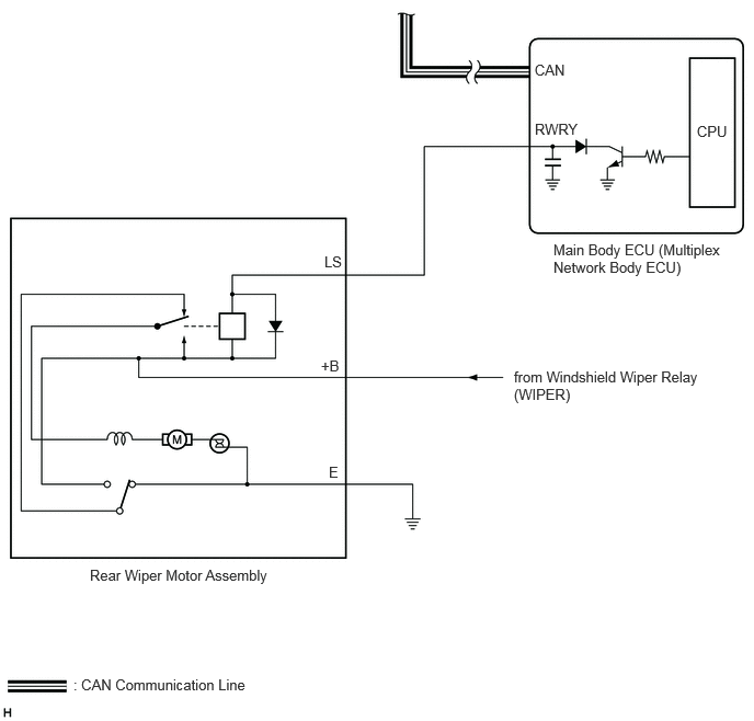
  2. REAR WIPER SYSTEM 
    GTY907262Courtesy of © TOYOTA, LICENSE AGREEMENT TMS1002
    GTY923358Courtesy of © TOYOTA, LICENSE AGREEMENT TMS1002
  3. WASHER FLUID LEVEL WARNING SYSTEM (w/ Washer Level Switch) 
    GTY943847Courtesy of © TOYOTA, LICENSE AGREEMENT TMS1002