LEMON Manuals: Even more car manuals for everyone: 1960-2025
Home >> Toyota >> 2019 >> RAV4 XLE, FWD >> Repair and Diagnosis >> Body & Frame >> Windows >> Power Window Control System - Diagnostics - Introduction >> Power Window Control System >> System Diagram [11/2018 - ] >> System Diagram [11/2018 - ]
April 5, 2026: LEMON Manuals is launched! Read the announcement.

System Diagram [11/2018 - ]

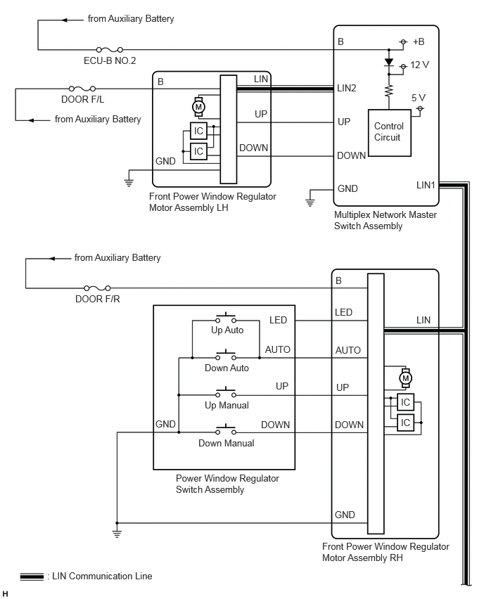
Fig 1: Power Window Control System Diagram (1 Of 4)
GTY894555Courtesy of © TOYOTA, LICENSE AGREEMENT TMS1002
Fig 2: Power Window Control System Diagram (2 Of 4)
GTY910679Courtesy of © TOYOTA, LICENSE AGREEMENT TMS1002
Fig 3: Power Window Control System Diagram (3 Of 4)
GTY906986Courtesy of © TOYOTA, LICENSE AGREEMENT TMS1002
Fig 4: Power Window Control System Diagram (4 Of 4)
GTY924258Courtesy of © TOYOTA, LICENSE AGREEMENT TMS1002
COMMUNICATION TABLE

Transmitting ECU Receiving ECU Signal Communication Method
Multiplex Network Master Switch Assembly Front Power Window Regulator Motor Assembly LH Power window auto up and down signal LIN
  • Front Power Window Regulator Motor Assembly RH
  • Rear Power Window Regulator Motor Assembly LH
  • Rear Power Window Regulator Motor Assembly RH
Power window remote up and down signal LIN
Main Body ECU (Multiplex Network Body ECU)
  • Front Power Window Regulator Motor Assembly LH
  • Front Power Window Regulator Motor Assembly RH
  • Rear Power Window Regulator Motor Assembly LH
  • Rear Power Window Regulator Motor Assembly RH
Power window operation permission signal LIN
Certification ECU (Smart Key ECU Assembly) Main Body ECU (Multiplex Network Body ECU) Wireless power window operation signal CAN
Main Body ECU (Multiplex Network Body ECU) Combination Meter Assembly Window open warning request signal CAN